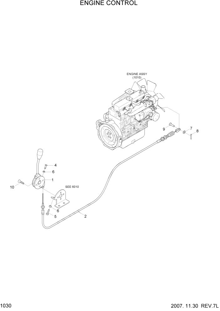
Запчасти Hyundai HSL650-7 PAGE 1030 ENGINE CONTROL ДВИГАТЕЛЬ

Схема запчастей Hyundai HSL650-7 - PAGE 1030 ENGINE CONTROL ДВИГАТЕЛЬ
FIT
1:1
100%

Артикул

Название

Примечание

Количество

1

11S8-10011

LEVER-E/G CONTROL

1шт.

2

11S8-10021

CABLE-THROTTLE

1шт.

4

S015-050152

BOLT-HEX

1шт.

5

S015-050402

BOLT-HEX

1шт.

6

S205-051002

NUT-HEX

2шт.

7

S403-062002

WASHER-PLAIN

1шт.

8

S501-080002

PIN-SELF LOCKING

1шт.

9

S491-060202

PIN-CLEVIS

#0356

1шт.

9

S491-060152

PIN-CLEVIS

#0357

1шт.

10

S141-080206

SCREW-FLAT HD

#0356

4шт.

10

S141-080166

SCREW-FLAT HD

#0357

4шт.

Выбрано товаров: 11