Запчасти Hyundai HSL650-7 PAGE 4040 MAIN PUMP(4/4) ГИДРАВЛИЧЕСКИЕ КОМПОНЕНТЫ

Схема запчастей Hyundai HSL650-7 - PAGE 4040 MAIN PUMP(4/4) ГИДРАВЛИЧЕСКИЕ КОМПОНЕНТЫ
FIT
1:1
100%

Артикул

Название

Примечание

Количество

*

@

MAIN PUMP

NOT

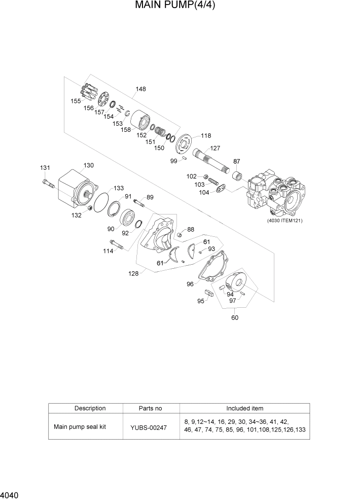
60

4510073

SWASHPLATE ASSY

INCL 94,97

1шт.

61

4460696

JOURNAL BEARING

2шт.

87

9001465-001

NEEDLE BEARING

1шт.

88

9004875-01

SPRING PIN

1шт.

89

5000208

SCREW

2шт.

90

9001315-0011

BALL BEARING

1шт.

91

9006200-0281

RETAINING RING

1шт.

92

9006300-0137

RING

1шт.

93

5000116

SPRING PIN

2шт.

94

9004820-4416

PIN

1шт.

95

4460162

BEARING SLEEVE

1шт.

96

4460564

GASKET-FRONT COVER

1шт.

97

5000507

PIN

1шт.

99

9004700-1907

PIN

1шт.

102

9003530-5

NUT

1шт.

103

9008800-5048

STUD BOLT

1шт.

104

9801000

LIFTING BRACKET

1шт.

114

5000207

SCREW

6шт.

118

4460684

VALVE PLATE-LH

1шт.

127

4460150

PUMP SHAFT

1шт.

128

4461351

REAR COVER ASSY

INCL 61,93

1шт.

130

550137681

GEAR PUMP

SEE 3020,ITEM74 #0715

1шт.

131

9007200-503

SCREW

SEE 3020,ITEM75 #0715

2шт.

132

9003530-5

NUT

SEE 3020,ITEM76 #0715

2шт.

133

9004100-044

O-RING

1шт.

148

4460890

CYLINDER BLOCK KIT

INCL 150-158

1шт.

150

9009625-0105

WASHER

2шт.

151

4460111

CYL BLOCK SPRING

2шт.

152

9009625-0108

WASHER

2шт.

153

4460028

RETAINER

2шт.

154

9004875-0113

PIN

6шт.

155

4461032

PISTON ASSY

2шт.

156

4460009

SLIPPER GUIDE

2шт.

157

4460180

RETAINER GUIDE

2шт.

158

4460832

CYLINDER BLOCK

2шт.

K

4510018

MAIN PUMP SEAL KIT

SEE ILLUST

1шт.

550LG36715002

GEAR PUMP SEAL KIT

1шт.

Выбрано товаров: 38