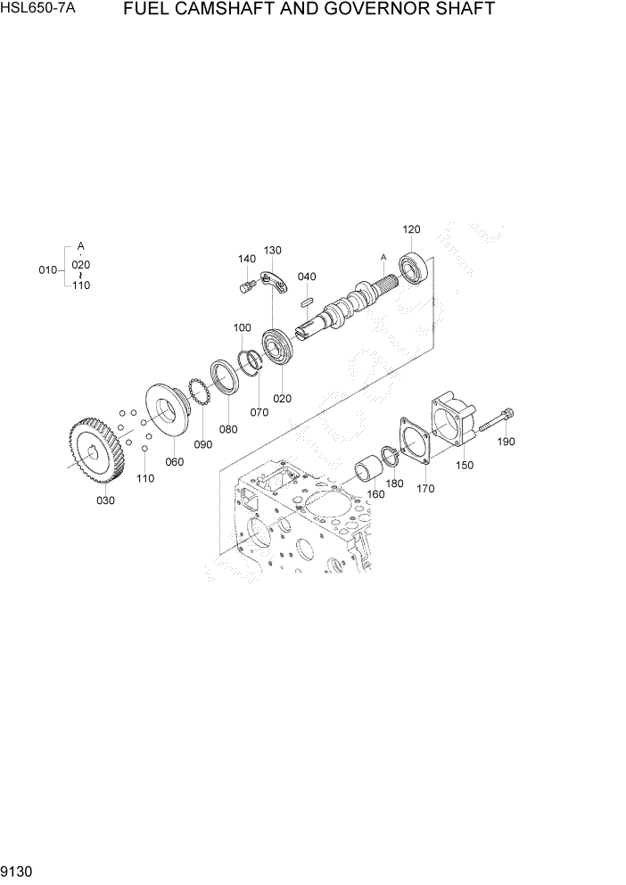
Запчасти Hyundai HSL650-7A PAGE 9130 FUEL CAMSHAFT AND GOVERNOR SHAFT ДВИГАТЕЛЬ БАЗА

Схема запчастей Hyundai HSL650-7A - PAGE 9130 FUEL CAMSHAFT AND GOVERNOR SHAFT ДВИГАТЕЛЬ БАЗА
FIT
1:1
100%

Артикул

Название

Примечание

Количество

10

XJBR-01570

CAMSHAFT-FUEL

1шт.

20

XJBR-00996

BEARING-BALL

1шт.

30

XJBR-00997

GEAR-INJECTION PUMP

1шт.

40

XJBR-00998

KEY-FEATHER

1шт.

60

XJBR-00999

SLEEVE-GOVERNOR

1шт.

70

XJBR-01000

CIRCLIP-GOV SLEEVE

1шт.

80

XJBR-01001

CASE-GOVERNOR BALL

1шт.

90

XJBR-00670

BALL

39шт.

100

XJBR-01002

CIRCLIP

1шт.

110

XJBR-00669

BALL

7шт.

120

XJBR-01003

BEARING-BALL

1шт.

130

XJBR-01004

STOPPER-FUEL C/SHAFT

1шт.

140

XJBR-00625

BOLT

2шт.

150

XJBR-01005

COVER-FUEL CAMSHAFT

1шт.

160

XJBR-01006

COLLAR

1шт.

170

XJBR-01007

GASKET

1шт.

180

XJBR-01008

CIRCLIP-EXTERNAL

1шт.

190

XJBR-00624

BOLT

4шт.

Выбрано товаров: 18