Запчасти Hyundai HSL650-7A PAGE 9170 INJECTION PUMP ДВИГАТЕЛЬ БАЗА

Схема запчастей Hyundai HSL650-7A - PAGE 9170 INJECTION PUMP ДВИГАТЕЛЬ БАЗА
FIT
1:1
100%

Артикул

Название

Примечание

Количество

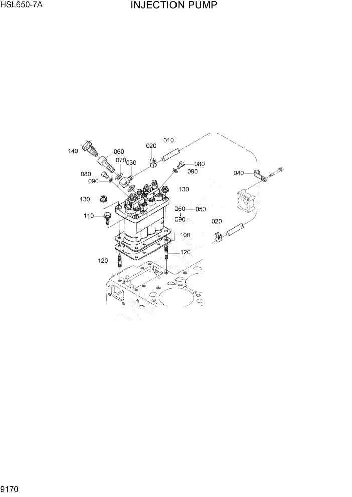
10

XJBR-00085

TUBE-FUEL

1шт.

20

XJBR-01035

CLIP-PIPE

2шт.

30

XJBR-01028

JOINT-EYE

1шт.

40

XJBR-01251

CLAMP-CORD

1шт.

50

XJBR-01021

ASSY PUMP-INJECTION

1шт.

60

XJBR-01033

BOLT-JOINT

1шт.

70

XJBR-01032

GASKET

2шт.

80

XJBR-01031

SCREW-AIR BLEEDER

2шт.

90

XJBR-01030

GASKET

2шт.

100

XJBR-01022

SHIM(0.175T)-INJECT PUMP

1шт.

100

XJBR-01023

SHIM(0.200T)-INJECT PUMP

1шт.

100

XJBR-01024

SHIM(0.250T)-INJECT PUMP

1шт.

100

XJBR-01025

SHIM(0.300T)-INJECT PUMP

1шт.

100

XJBR-01026

SHIM(0.350T)-INJECT PUMP

1шт.

110

XJBR-00585

FLANGE BOLT

4шт.

120

XJBR-01027

STUD

2шт.

130

XJBR-00203

FLANGE NUT

2шт.

140

XJBR-01029

COCK ASSY-JET START

1шт.

Выбрано товаров: 18