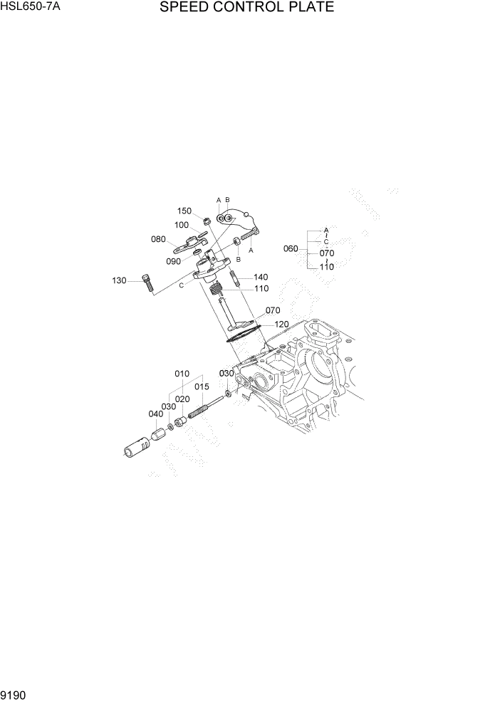
Запчасти Hyundai HSL650-7A PAGE 9190 SPEED CONTROL PLATE ДВИГАТЕЛЬ БАЗА

Схема запчастей Hyundai HSL650-7A - PAGE 9190 SPEED CONTROL PLATE ДВИГАТЕЛЬ БАЗА
FIT
1:1
100%

Артикул

Название

Примечание

Количество

10

XJBR-01043

BOLT ASSY-ADJUSTMENT

1шт.

15

XJBR-01044

BOLT-ADJUSTING

1шт.

20

XJBR-01045

NUT

1шт.

30

XJBR-01046

GASKET

2шт.

40

XJBR-01047

NUT

1шт.

60

XJBR-01048

PLATE ASSY-CONTROL

1шт.

70

XJBR-01049

LEVER GOVERNOR COMP

1шт.

80

XJBR-01050

LEVER-SPEED CONTROL

1шт.

90

XJBR-01018

SEAL-OIL

1шт.

100

XJBR-00662

PIN-SPRING

1шт.

110

XJBR-01019

SPRING-RETURN

1шт.

120

XJBR-01020

GASKET-PLATE

1шт.

130

XJBR-00614

BOLT

2шт.

140

XJBR-00912

STUD

2шт.

150

XJBR-00479

FLANGE NUT

2шт.

Выбрано товаров: 15