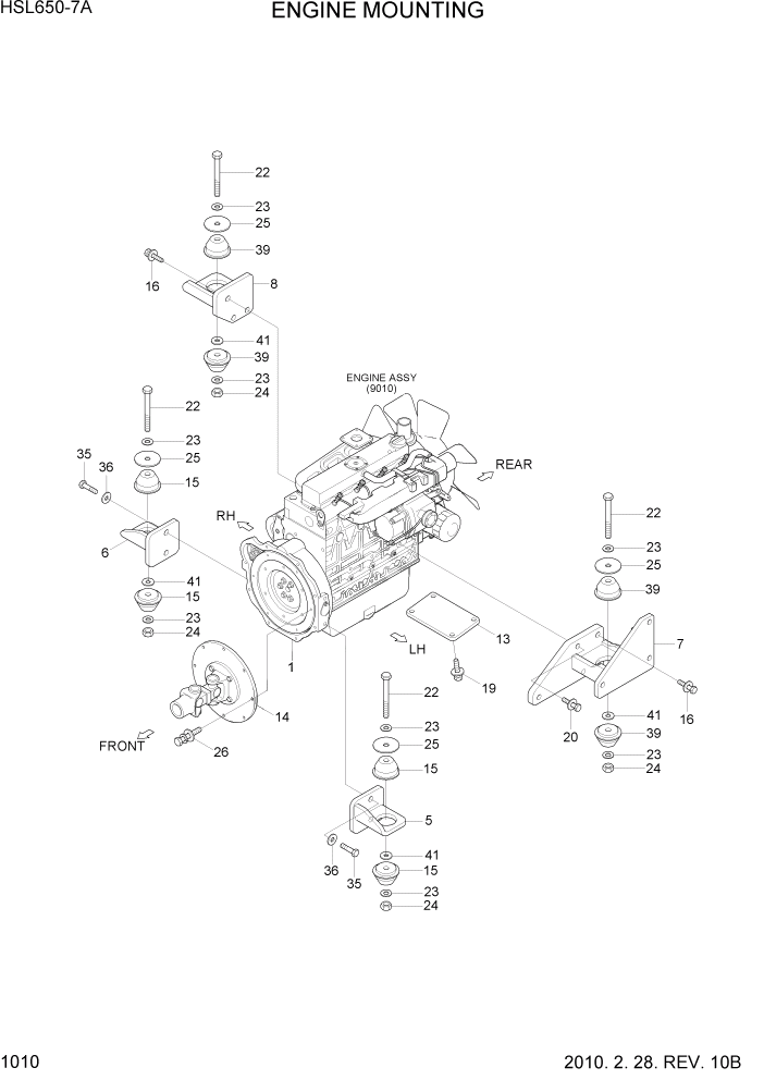
Запчасти Hyundai HSL650-7A PAGE 1010 ENGINE MOUNTING ДВИГАТЕЛЬ

Схема запчастей Hyundai HSL650-7A - PAGE 1010 ENGINE MOUNTING ДВИГАТЕЛЬ
FIT
1:1
100%

Артикул

Название

Примечание

Количество

1

11SA-00011

ENGINE ASSY

1шт.

5

11S8-00243

BRACKET WA

#0001

1шт.

6

11S8-00302

BRACKET WA

#0001

1шт.

7

11S8-00330

BRACKET WA-LH

1шт.

8

11S8-00262

BRACKET WA-RH

1шт.

13

11S8-00110

COVER

1шт.

14

11S8-00270

DRIVE SHAFT ASSY

1шт.

15

11MH-07150

MOUNT-RUBBER

4шт.

16

S038-123556

BOLT-W/WASHER

7шт.

19

S037-102556

BOLT-W/WASHER

4шт.

20

S038-103556

BOLT-W/WASHER

1шт.

22

S017-121306

BOLT-HEX

4шт.

23

S441-120006

WASHER-HARDENED

8шт.

24

S205-12100B

NUT-HEX

4шт.

25

11MH-00230

WASHER-PLATE

4шт.

26

S035-083026

BOLT-W/WASHER

8шт.

35

S018-14030D

BOLT-HEX

4шт.

36

S441-140006

WASHER-HARDENED

4шт.

39

11MH-07170

MOUNT-RUBBER

4шт.

41

11S8-00310

SPACER

4шт.

Выбрано товаров: 20