Запчасти Hyundai HSL650-7A PAGE 1040 ENGINE CONTROL ДВИГАТЕЛЬ

Схема запчастей Hyundai HSL650-7A - PAGE 1040 ENGINE CONTROL ДВИГАТЕЛЬ
FIT
1:1
100%

Артикул

Название

Примечание

Количество

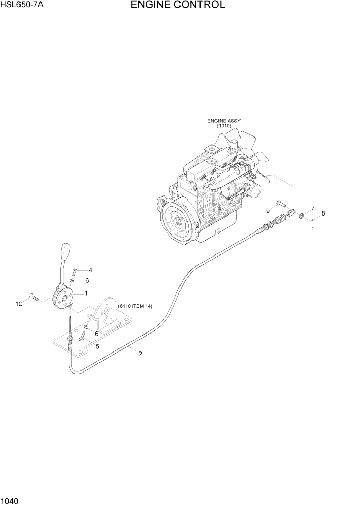
1

11S8-10011

LEVER-E/G CONTROL

1шт.

2

11S8-10021

CABLE-THROTTLE

1шт.

4

S015-050156

BOLT-HEX

1шт.

5

S015-050406

BOLT-HEX

1шт.

6

S205-05100B

NUT-HEX

2шт.

7

S403-06200B

WASHER-PLAIN

1шт.

8

S501-080002

PIN-SELF LOCKING

1шт.

9

S491-060152

PIN-CLEVIS

1шт.

10

S141-080166

SCREW-FLAT HD

4шт.

Выбрано товаров: 9