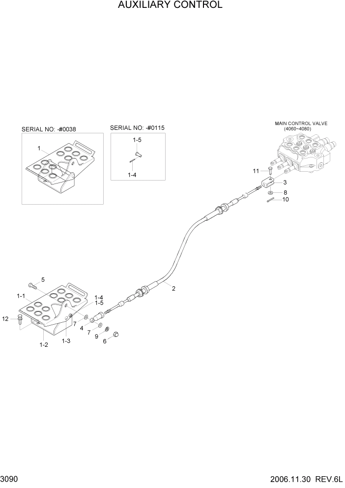
Запчасти Hyundai HSL800-7 PAGE 3090 AUXILIARY CONTROL ГИДРАВЛИЧЕСКАЯ СИСТЕМА

Схема запчастей Hyundai HSL800-7 - PAGE 3090 AUXILIARY CONTROL ГИДРАВЛИЧЕСКАЯ СИСТЕМА
FIT
1:1
100%

Артикул

Название

Примечание

Количество

1

81S8-30010

PEDAL ASSY

#0038

1шт.

1

81S8-30011

PEDAL ASSY

#0039 - #0115

1шт.

1

81S8-30011

PEDAL ASSY

#0116

1шт.

1-1

81S8-30021

PEDAL

#0039 - #0115

1шт.

1-1

81S8-30022

PEDAL

#0116

1шт.

1-2

81S8-30030

BRACKET-PEDAL

#0039 - #0115

1шт.

1-2

81S8-30031

BRACKET-PEDAL

#0116

1шт.

1-3

S491-101402

PIN-CLEVIS

#0039

1шт.

1-4

S491-100202

PIN-CLEVIS

#0039 - #0115

1шт.

1-4

S037-102512

BOLT-W/WASHER

#0116

1шт.

1-5

S501-100002

PIN-SELF LOCKING

#0039 - #0115

1шт.

1-5

S275-100002

NUT-SELF LOCKING

#0116

1шт.

2

81S7-30010

CABLE-PUSH PULL

#0233

1шт.

2

81S7-30100

CABLE-PUSH PULL

#0234

1шт.

3

81S5-10250

PIN-CLEVIS

1шт.

4

S923-106000

ROD END

1шт.

5

S015-060252

BOLT-HEX

1шт.

6

S295-060002

NUT-DOMED CAP

1шт.

7

S403-062002

WASHER-PLAIN

2шт.

8

S403-102002

WASHER-PLAIN

1шт.

9

S411-060002

WASHER-SPRING

1шт.

10

S501-100002

PIN-SELF LOCKING

1шт.

11

S491-100282

PIN-CLEVIS

1шт.

12

S037-102052

BOLT-W/WASHER

2шт.

Выбрано товаров: 24