Запчасти Hyundai HSL800-7 PAGE 5010 POWER TRAIN ТРАНСМИССИЯ

Схема запчастей Hyundai HSL800-7 - PAGE 5010 POWER TRAIN ТРАНСМИССИЯ
FIT
1:1
100%

Артикул

Название

Примечание

Количество

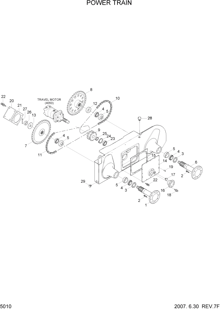
1

81S5-20022HN

AXLE SHAFT-FRONT

2шт.

2

81S5-20031

BOLT-WHEEL

32шт.

3

81S5-20040

SEAL

4шт.

4

81S5-20051

BEARING-T/ROLLER

8шт.

5

81S5-20061

CUP-T/R BEARING

8шт.

6

81S5-20072HN

AXLE SHAFT-REAR

2шт.

7

81S7-10010

SPROCKET-FRONT

2шт.

8

81S7-10020

SPROCKET-REAR

2шт.

9

81S7-10030

SPROCKET-CENTER

2шт.

10

81S7-26010

CHAIN ASSY(56LINK)

2шт.

11

81S5-20120

CHAIN ASSY(58LINK)

2шт.

12

81S5-20131

SPACER-REAR SPROCKET

2шт.

13

81S5-20140

WASHER

4шт.

14

81S7-20010

COVER WA

2шт.

15

81S7-20020

GASKET

2шт.

16

81S7-20031

RETAINER-MOTOR

#0063

2шт.

16

81S7-20032

RETAINER-MOTOR

#0064

2шт.

17

81S1-2015

PLUG-HEX

2шт.

18

S037-102522

BOLT-W/WASHER

12шт.

19

S510-102600

PIN-DOWEL

#0003

4шт.

19

S510-102200

PIN-DOWEL

#0004

4шт.

20

81S1-2023

COVER

2шт.

21

81S1-2029

GASKET

2шт.

22

S035-082022

BOLT-W/WASHER

40шт.

23

81S7-20040

BEARING-ROLLER

#0349

2шт.

23

81S7-20060

BEARING-SPHERICAL

#0350

2шт.

24

S602-052004

RING-RETAINING

2шт.

25

S601-036004

RING-RETAINING

2шт.

26

S228-360002

NUT-HEX SLOTTED

4шт.

27

S461-500502

PIN-SPLIT

4шт.

28

81FA-32300

AIR BREATHER

2шт.

29

81S1-2015

PLUG-HEX

2шт.

Выбрано товаров: 32