Запчасти Hyundai HSL800-7 PAGE 6090 GUARD(FOOT REST) СТРУКТУРА

Схема запчастей Hyundai HSL800-7 - PAGE 6090 GUARD(FOOT REST) СТРУКТУРА
FIT
1:1
100%

Артикул

Название

Примечание

Количество

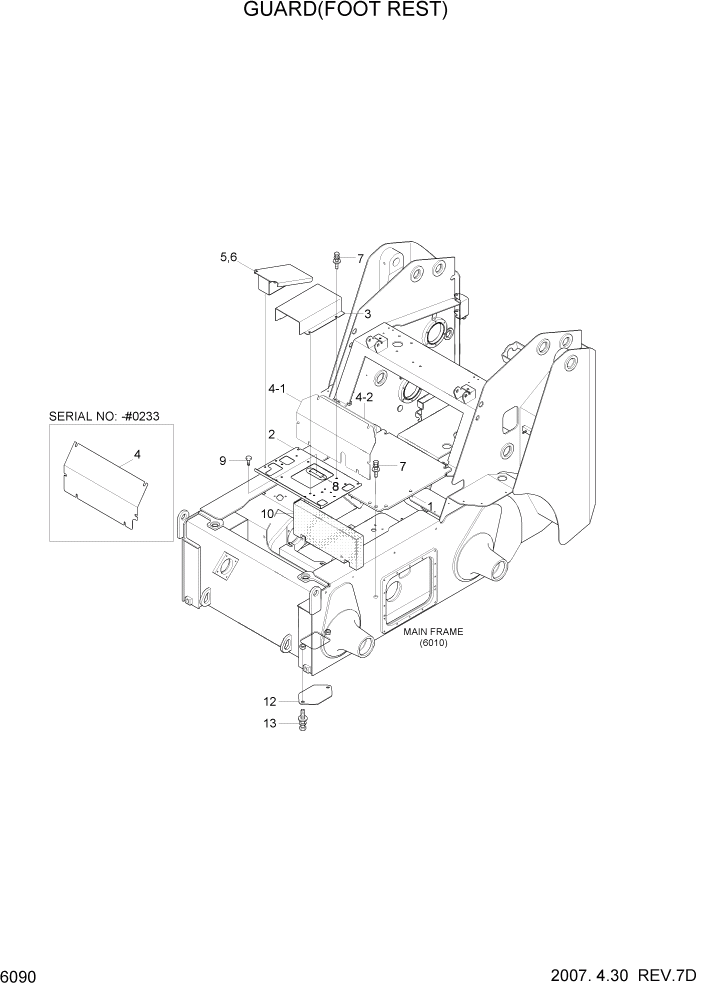
1

51S7-10010

COVER-UNDER

1шт.

2

51S7-10030

BRACKET-PEDAL

1шт.

3

81S4-10180

PLATE-STEP

1шт.

4

51S7-10140

COVER ASSY

#0233

1шт.

4

51S7-10141

COVER ASSY

#0234

1шт.

4-1

51S7-10052

COVER

#0234

1шт.

4-2

51S7-20130

SPONGE

#0234

1шт.

5

51S7-10060

FOOT REST

1шт.

6

51S7-10060

FOOT REST

1шт.

7

S037-102526

BOLT-W/WASHER

26шт.

8

51S7-10090

COVER WA

#0001

1шт.

9

61S1-1008

BOLT ASSY-SPECIAL

#0001

1шт.

10

51S7-10120

SPONGE

#0001

1шт.

12

51S7-10160

COVER

#0311

1шт.

13

S035-082022

BOLT-W/WASHER

#0311

2шт.

Выбрано товаров: 15