Запчасти Hyundai HSL850-7A PAGE 9180 FORK LEVER (GOVERNOR) ДВИГАТЕЛЬ БАЗА

Схема запчастей Hyundai HSL850-7A - PAGE 9180 FORK LEVER (GOVERNOR) ДВИГАТЕЛЬ БАЗА
FIT
1:1
100%

Артикул

Название

Примечание

Количество

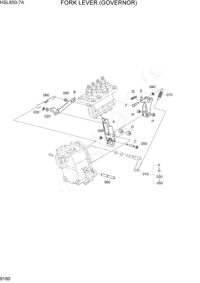
10

XJBR-01666

FORK LEVER ASSY

1шт.

20

XJBR-00447

WASHER-PLAIN

1шт.

30

XJBR-00448

CIRCLIP-EXTERNAL

1шт.

40

XJBR-00450

CIRCLIP-EXTERNAL

1шт.

50

XJBR-00449

CIRCLIP-EXTERNAL

2шт.

60

XJBR-01667

SHAFT-FORK LEVER

1шт.

70

XJBR-01668

SPRING-GOVERNOR

1шт.

80

XJBR-01374

SPRING-START

1шт.

90

XJBR-01375

LOCK NUT

1шт.

Выбрано товаров: 9