Запчасти Hyundai HSL850-7A PAGE 1040 ENGINE CONTROL ДВИГАТЕЛЬ

Схема запчастей Hyundai HSL850-7A - PAGE 1040 ENGINE CONTROL ДВИГАТЕЛЬ
FIT
1:1
100%

Артикул

Название

Примечание

Количество

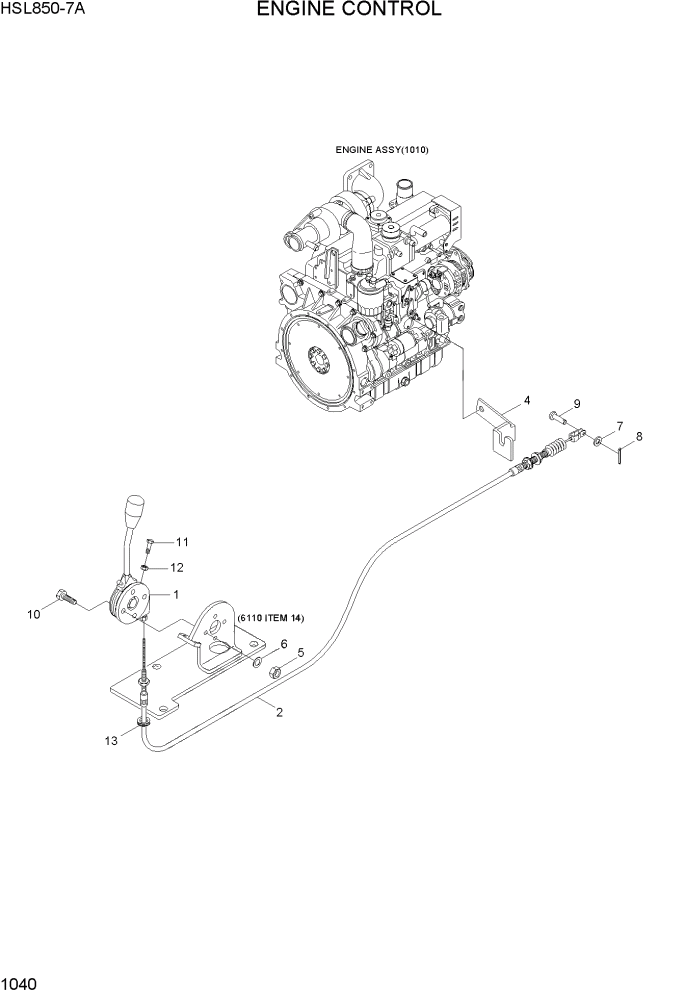
1

11S8-10011

LEVER-E/G CONTROL

1шт.

2

11S7-10011

CABLE-THROTTLE

1шт.

4

11S7-10030

BRACKET-CABLE

1шт.

5

S205-08100B

NUT-HEX

4шт.

6

S403-08200B

WASHER-PLAIN

4шт.

7

S403-06200B

WASHER-PLAIN

3шт.

8

S501-060002

PIN-SELF LOCKING

1шт.

9

S491-060152

PIN-CLEVIS

1шт.

10

S141-080166

SCREW-FLAT HD

4шт.

11

S015-050156

BOLT-HEX

1шт.

12

S205-05100B

NUT-HEX

1шт.

13

S681-100400

GROMMET

1шт.

Выбрано товаров: 12