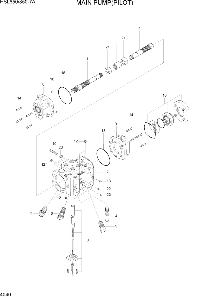
Запчасти Hyundai HSL850-7A PAGE 4040 HST PUMP(1/2, PILOT) ГИДРАВЛИЧЕСКИЕ КОМПОНЕНТЫ

Схема запчастей Hyundai HSL850-7A - PAGE 4040 HST PUMP(1/2, PILOT) ГИДРАВЛИЧЕСКИЕ КОМПОНЕНТЫ
FIT
1:1
100%

Артикул

Название

Примечание

Количество

*

31S7-02050

HST PUMP-PILOT

1шт.

1

XKCM-00025

ROTARY GROUP

1шт.

1-1

XKCM-00032

ROTARY GROUP

1шт.

1-12

XKCM-00033

CRADLE

1шт.

1-13

XKCM-00034

SLIDE RING

1шт.

1-14

XKCM-00035

DRIVE SHAFT

1шт.

1-26

XKCM-00036

BEARING LINER

1шт.

1-31

XKCM-00037

PLAIN ROLLER BEARING

1шт.

1-32

XKCM-00038

CRADLE BEARING ASSY

1шт.

1-36

XKCM-00039

RETAINING RING

1шт.

1-37

ZGBP-00174

V-RING

1шт.

1-38

XKCM-00040

SHAFT SEAL RING

1шт.

3

XKCM-00027

CONTROL-HYDRAULIC

2шт.

6

XKCM-00004

CONTROL CARTRIDGE

WITH ORIFICE

1шт.

7

XKCM-00005

PRESSURE RELIEF VALVE

4шт.

8

XKCM-00006

PRESSURE RELIEF VALVE

1шт.

10

XKCM-00028

PUMP HOUSING

1шт.

11

XKCM-00029

BEARING FLANGE

1шт.

14

XKCM-00031

INTERNAL GEAR PUMP

1шт.

14-1

XKCM-00043

FLANGE-INTERMEDIATE

1шт.

14-5

XKCM-00044

COUPLING-THROUGH DRIVE

1шт.

14-6

XKCM-00045

INTERNAL GEAR PUMP

1шт.

14-8

XKCM-00046

SHAFT KEY

1шт.

14-9

XKCM-00047

SNAP RING

1шт.

14-1

XKCM-00048

SOCKET HEAD SCREW

4шт.

14-12

XKCM-00049

O-RING

1шт.

14-13

XKCM-00050

O-RING

1шт.

14-19

XKCM-00017

O-RING

1шт.

14-21

XKCM-00051

CYLINDER PIN

1шт.

16

XKCM-00011

COUPLING-THROUGH DRIVE

1шт.

21

XKCM-00012

LOCKING SCREW

6шт.

22

XKCM-00013

LOCKING SCREW

2шт.

30

XKCM-00014

SOCKET HEAD SCREW

4шт.

32

XKCM-00016

CYLINDER PIN

2шт.

43

XKCM-00018

O-RING

1шт.

46

XKCM-00019

ECCENTRIC SCREW

2шт.

47

XKCM-00020

SEAL LOCK NUT

2шт.

49

XKCM-00021

ROLLER BEARING-PLAIN

2шт.

Выбрано товаров: 38