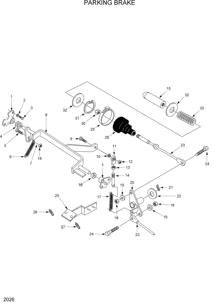
Запчасти Hyundai HSL400T PAGE 2026 PARKING BRAKE КОНТРОЛЬ

Схема запчастей Hyundai HSL400T - PAGE 2026 PARKING BRAKE КОНТРОЛЬ
FIT
1:1
100%

Артикул

Название

Примечание

Количество

1

YCAC-00593

FLANGE BEARING

2шт.

2

YCAC-00473

WASHER-LOCK 1/4 PL

4шт.

3

YCAC-00491

BOLT

4шт.

4

YCAC-00552

WASHER

2шт.

5

YCAC-00571

BOLT-HEX 1/4X3/4"

1шт.

6

YCAC-00658

SPRING

1шт.

7

YCAC-00344

WASHER-FLAT 1/4 PL

NOT SHOWN

1шт.

8

YCAC-02161

PIVOT ASSY

1шт.

9

YCAC-00300

BOLT-HEX 3/8X1 1/4

1шт.

10

YCAC-00444

WASHER

1шт.

11

YCAC-01999

ROD END ASSY-FEMALE

1шт.

12

YCAC-02040

NUT-LOCK

1шт.

13

YCAC-00400

NUT

1шт.

14

YCAC-01010

LINKAGE

1шт.

15

YCAC-00742

BRAKE PIN

2шт.

16

YCAC-00594

SET COLLAR

1шт.

17

YCAC-00506

SPRING

1шт.

18

YCAC-02025

NUT-LOCK 1/4 UNC PL

3шт.

19

YCAC-00344

WASHER-FLAT 1/4 PL

2шт.

20

YCAC-02109

BRAKE PULL OFF PIVOT

1шт.

21

YCAC-00338

COTTER PIN-1/16X3/4"

1шт.

22

YCAC-00493

WASHER-FLAT 1/2

1шт.

23

YCAC-00767

CABLE

2шт.

24

YCAC-01968

BOLT-HEX 1/4X1 UNC

2шт.

25

YCAC-02168

SWITCH MOUNT

1шт.

26

YCAC-00977

SWITCH-P/BRAKE LIGHT

1шт.

27

YCAC-00976

SWITCH-SAFETY RELEASE

1шт.

28

YCAC-00764

BOOT

2шт.

29

YCAC-00825

CLAMP

2шт.

30

YCAC-00289

NUT-HEX 5/16 UNC PL

2шт.

31

YCAC-02019

CRICLIP

2шт.

32

YCAC-00377

WASHER-FLAT

4шт.

33

YCAC-00733

SPRING

2шт.

Выбрано товаров: 33