Запчасти Hyundai HSL400T PAGE 9180 IDLE APPARATUS ДВИГАТЕЛЬ БАЗА

Схема запчастей Hyundai HSL400T - PAGE 9180 IDLE APPARATUS ДВИГАТЕЛЬ БАЗА
FIT
1:1
100%

Артикул

Название

Примечание

Количество

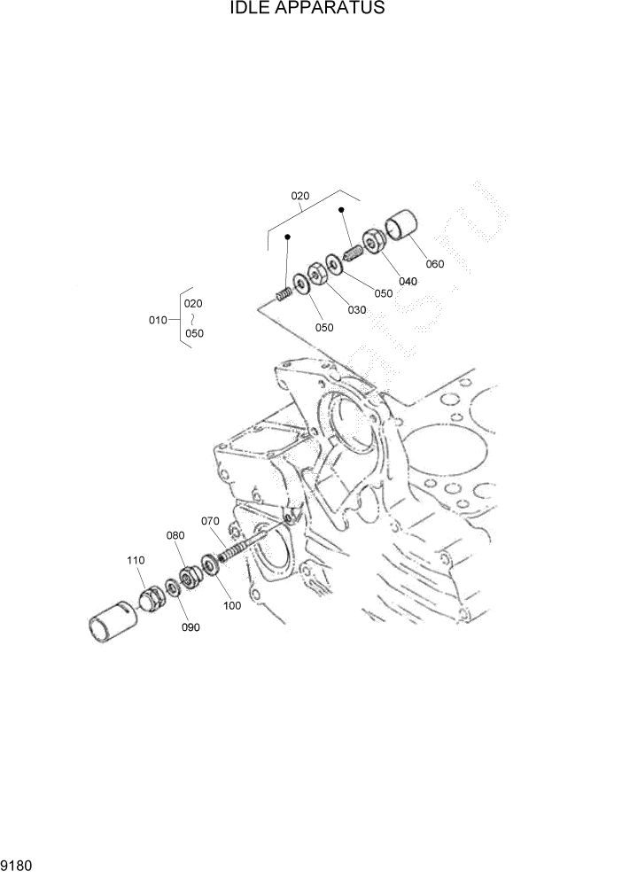
10

XJBT-01133

IDLE APPARATUS ASSY

1шт.

20

XJBT-01134

BOLT ASSY-ADJUSTMENT

1шт.

30

XJBT-00983

NUT

1шт.

40

XJBT-01137

NUT

1шт.

50

XJBT-00911

GASKET

2шт.

60

XJBT-01139

CAP

1шт.

70

XJBT-01136

BOLT-ADJUSTING

1шт.

80

XJBT-02077

NUT-LOCK

1шт.

90

XJBT-01087

GASKET

1шт.

100

XJBT-02076

GASKET

1шт.

110

XJBT-01164

NUT

1шт.

Выбрано товаров: 11