Запчасти Hyundai HSL680T PAGE 9204 GOVERNOR ДВИГАТЕЛЬ БАЗА

Схема запчастей Hyundai HSL680T - PAGE 9204 GOVERNOR ДВИГАТЕЛЬ БАЗА
FIT
1:1
100%

Артикул

Название

Примечание

Количество

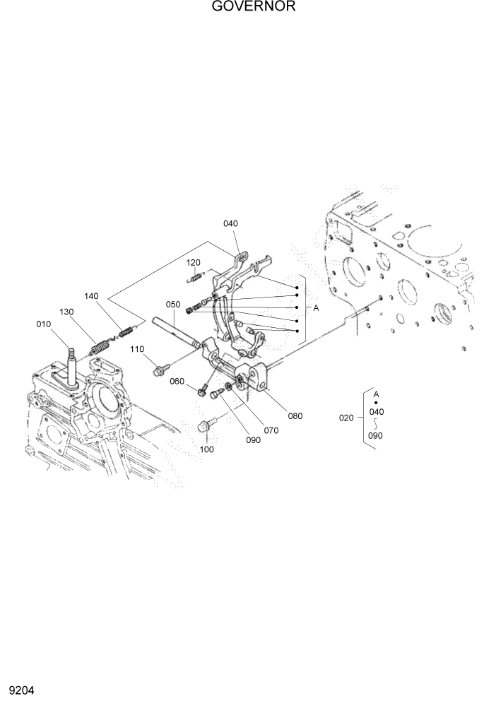
10

XJBT-01084

COMP LEVER GOVERNOR

1шт.

20

XJBT-01521

LEVER ASSY-FORK

HSL600T

1шт.

20

XJBT-01712

LEVER ASSY-FORK

HSL680T

1шт.

40

XJBT-01669

LEVER-FORK

1шт.

50

XJBT-02159

SHAFT-FORK LEVER

1шт.

60

XJBT-00487

BOLT-FLANGE

1шт.

70

XJBT-00067

WASHER-SPRING

1шт.

80

XJBT-00953

HOLDER-FORK LEVER

1шт.

90

XJBT-00956

BOLT

1шт.

100

XJBT-00583

BOLT-FLANGE

2шт.

110

XJBT-00781

BOLT

1шт.

120

XJBT-01091

SPRING-START

1шт.

130

XJBT-01713

SPRING

1шт.

140

XJBT-01505

SPRING-GOVERNOR

1шт.

Выбрано товаров: 14