Запчасти Hyundai HSL800T PAGE 6061 ELECTRICAL WIRING, ROPS ЭЛЕКТРИЧЕСКАЯ СИСТЕМА

Схема запчастей Hyundai HSL800T - PAGE 6061 ELECTRICAL WIRING, ROPS ЭЛЕКТРИЧЕСКАЯ СИСТЕМА
FIT
1:1
100%

Артикул

Название

Примечание

Количество

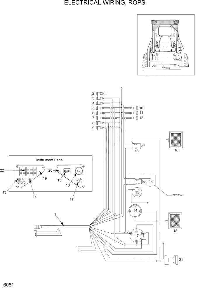
1

YCAC-01048

HARNESS-ROPS ASSY

1шт.

2

YCAC-00930

BULB PANEL-INDICATOR

LOW CHARGE PRES

1шт.

3

YCAC-00930

BULB PANEL-INDICATOR

BRAKE

1шт.

4

YCAC-00930

BULB PANEL-INDICATOR

BATTERY

1шт.

5

YCAC-00930

BULB PANEL-INDICATOR

PREHEAT

1шт.

6

YCAC-00930

BULB PANEL-INDICATOR

AIR FILTER

1шт.

7

YCAC-00930

BULB PANEL-INDICATOR

HYD OIL TEMP

1шт.

8

YCAC-00930

BULB PANEL-INDICATOR

COOLANT TEMP

1шт.

9

YCAC-00930

BULB PANEL-INDICATOR

ENG OIL TEMP

1шт.

10

YCAC-00930

BULB PANEL-INDICATOR

AUX HYD

1шт.

11

YCAC-00930

BULB PANEL-INDICATOR

LOW BEAM

1шт.

12

YCAC-00930

BULB PANEL-INDICATOR

SEAT BELT

1шт.

13

YCAC-00852

SWITCH-WORK LIGHT

HEAD LIGHTS

1шт.

14

YCAC-00853

SWITCH-OPT,AUX HYD

AUX CONTROL

1шт.

15

YCAC-00819

HOURMETER

1шт.

16

YCAC-00797

GUAGE-FUEL

1шт.

17

YCAC-01423

IGNITION SWITCH

1шт.

18

YCAC-01488

LAMP-OVAL

FR WORK LIGHT

2шт.

19

YCAC-01474

PANEL-INSTRUMENT,LH

1шт.

20

YCAC-01909

PANEL-INSTRUMENT,RH

1шт.

21

YCAC-00990

ALARM-FAST SOUNDING

OPT

1шт.

22

YCAC-00930

BULB PANEL-INDICATOR

1шт.

YCAC-01486

HARNESS-OVAL LAMP

1шт.

YCAC-02359

MTG BRACKET-RH

OVAL LIGHT

1шт.

YCAC-02358

MTG BRACKET-LH

OVAL LIGHT

1шт.

YCAC-01073

CLAMP-CABLE #8

1шт.

YCAC-01075

CLAMP-CABLE #12

5шт.

YCAC-01076

CLAMP-CABLE #18

1шт.

Выбрано товаров: 28