Запчасти Hyundai HSL800T PAGE 9004 GEAR CASE ДВИГАТЕЛЬ БАЗА

Схема запчастей Hyundai HSL800T - PAGE 9004 GEAR CASE ДВИГАТЕЛЬ БАЗА
FIT
1:1
100%

Артикул

Название

Примечание

Количество

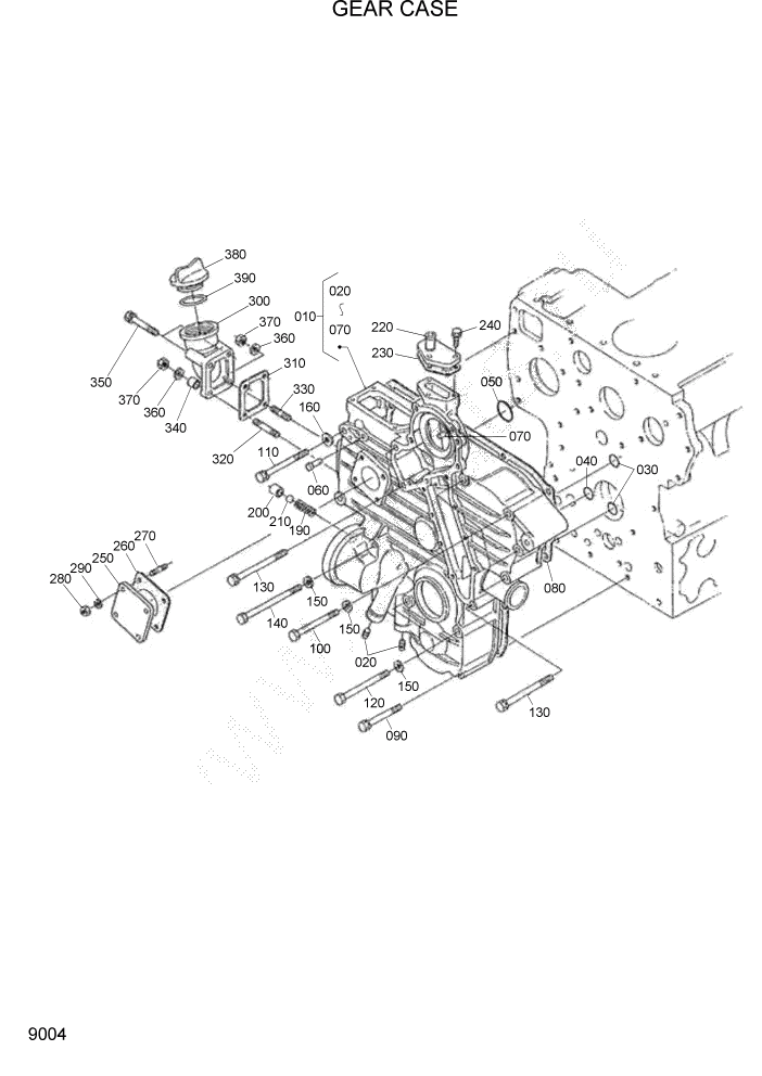
10

XJBT-01496

GEAR CASE ASSY

1шт.

20

XJBT-01605

PLUG

2шт.

30

XJBT-00840

O-RING

2шт.

40

XJBT-00842

O-RING

2шт.

50

XJBT-00844

O-RING

1шт.

60

XJBT-00954

PIN-START SPRING

1шт.

70

XJBT-00013

PIN-STRAIGHT

2шт.

80

XJBT-01104

GASKET-GEAR CASE

1шт.

90

XJBT-00786

BOLT

2шт.

100

XJBT-00791

BOLT

5шт.

110

XJBT-01681

BOLT

1шт.

120

XJBT-00792

BOLT

2шт.

130

XJBT-01682

BOLT

3шт.

140

XJBT-00793

BOLT

2шт.

150

XJBT-00034

NUT

9шт.

160

XJBT-00035

WASHER-PLAIN

1шт.

190

XJBT-00967

SPRING

1шт.

200

XJBT-01061

SEAT-VALVE

1шт.

210

XJBT-00059

BALL

1шт.

220

XJBT-01071

FLANGE-WATER RETURN

1шт.

230

XJBT-01784

GASKET-RETURN FLANGE

1шт.

240

XJBT-00062

BOLT

3шт.

250

XJBT-00962

COVER

1шт.

260

XJBT-02133

GASKET-HOUR METER

1шт.

270

XJBT-00960

STUD

4шт.

280

XJBT-00066

NUT

4шт.

290

XJBT-00067

WASHER-SPRING

4шт.

300

XJBT-01499

FLANGE-OIL FILLER

1шт.

310

XJBT-01039

GASKET WA

1шт.

320

XJBT-00959

STUD

1шт.

330

XJBT-01657

STUD

1шт.

340

XJBT-01658

COLLAR

1шт.

350

XJBT-00774

BOLT

2шт.

360

XJBT-00067

WASHER-SPRING

2шт.

370

XJBT-00066

NUT

2шт.

380

XJBT-00942

PLUG-OIL FILTER

1шт.

390

XJBT-00632

O-RING

1шт.

Выбрано товаров: 37