Запчасти Hyundai HSL960T PAGE 3033 PARKING BRAKE КОНЕЧНАЯ ПЕРЕДАЧА ПРИВОДА

Схема запчастей Hyundai HSL960T - PAGE 3033 PARKING BRAKE КОНЕЧНАЯ ПЕРЕДАЧА ПРИВОДА
FIT
1:1
100%

Артикул

Название

Примечание

Количество

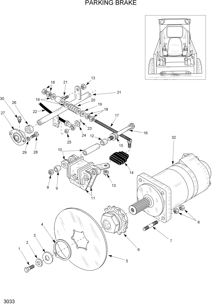
1

YCAC-00290

BOLT-HEX

2шт.

2

YCAC-00340

WASHER-LOCK

2шт.

3

YCAC-01079

WASHER-FLAT

2шт.

4

YCAC-01465

RING-RETAINING

2шт.

5

YCAC-00551

DISC-BRAKE

2шт.

6

YCAC-01444

SPROCKET-DRIVE

2шт.

7

YCAC-00595

STUD-MACHINE

8шт.

8

YCAC-02054

NUT-LOCK

16шт.

9

YCAC-00601

BUSHING

4шт.

10

YCAC-00588

CALIPER-BRAKE ASSY

2шт.

11

YCAC-00621

BRAKE PAD

4шт.

12

YCAC-00600

BUSHING

4шт.

13

YCAC-02040

NUT-LOCK

2шт.

14

YCAC-01042

BOOT-NEOPRENE BRAKE

2шт.

15

YCAC-00620

WASHER

8шт.

16

YCAC-00350

BOLT-HEX

4шт.

17

YCAC-02097

ROD-THREADED ASSY

2шт.

18

YCAC-00291

NUT-HEX

8шт.

19

YCAC-00341

WASHER-FLAT 3/8"

6шт.

20

YCAC-00292

SPRING-COMPRESSION

2шт.

21

YCAC-02098

BUSHING ASSY

2шт.

22

YCAC-00791

CABLE-PULL 75"

1шт.

23

YCAC-00338

COTTER PIN-1/16X3/4"

1шт.

24

YCAC-00344

WASHER-FLAT 1/4 PL

1шт.

25

YCAC-01001

NYLON BUSHING

1шт.

26

YCAC-01743

SET COLLAR

2шт.

27

YCAC-00522

BEARING-FLANGE

2шт.

28

YCAC-02006

BOLT-HEX 5/16X3/4 UNC

4шт.

29

YCAC-00393

WASHER-LOCK 5/16 PL

4шт.

30

YCAC-00711

GREASE FITTING

2шт.

31

YCAC-02266

SHAFT-BRAKE ASSY

1шт.

32

@

DRIVE MOTOR

NOT

2шт.

*

YCAC-02178

MOUNT-BRAKE CABLE ASSY

NOT SHOWN

1шт.

Выбрано товаров: 33