Запчасти Hyundai HSL1200T PAGE 9209 PUMP HOUSING ДВИГАТЕЛЬ БАЗА

Схема запчастей Hyundai HSL1200T - PAGE 9209 PUMP HOUSING ДВИГАТЕЛЬ БАЗА
FIT
1:1
100%

Артикул

Название

Примечание

Количество

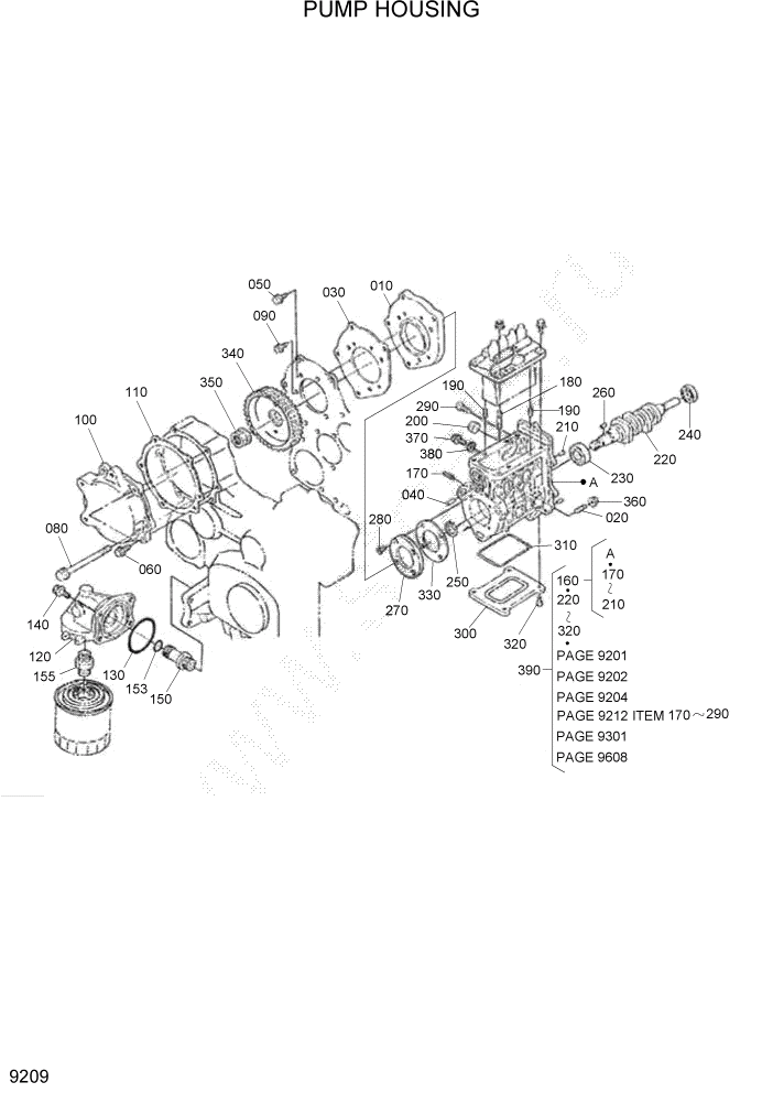
10

XJBT-01907

BASE-INJECTION PUMP

1шт.

20

XJBT-00451

STUD

3шт.

30

XJBT-01908

GASKET-I/P BASE

1шт.

40

XJBT-00453

PIN-STRAIGHT

1шт.

50

XJBT-00454

BOLT-FLANGE

3шт.

60

XJBT-00455

BOLT-FLANGE

1шт.

80

XJBT-00456

BOLT-FLANGE

5шт.

90

XJBT-00457

BOLT-FLANGE

3шт.

100

XJBT-01911

COVER-INJ PUMP

1шт.

110

XJBT-01912

GASKET-I/P COVER

1шт.

120

XJBT-02102

SUPPORT-RADIATOR

1шт.

130

XJBT-01727

O-RING

1шт.

140

XJBT-00455

BOLT-FLANGE

4шт.

150

XJBT-02101

JOINT-PIPE

1шт.

153

XJBT-00830

O-RING

1шт.

155

XJBT-01013

JOINT-PIPE

1шт.

390

XJBT-02104

PUMP-INJECTION UNIT

1шт.

160

XJBT-01905

HOUSING ASSY-I/P

1шт.

170

XJBT-00268

STUD

2шт.

180

XJBT-00461

STUD

3шт.

190

XJBT-00012

PIN-STRAIGHT

2шт.

200

XJBT-01927

PLUG-I/P HOUSING

1шт.

210

XJBT-00463

PIN-STRAIGHT

2шт.

220

XJBT-01860

CAMSHAFT-FUEL

1шт.

230

XJBT-02097

BEARING-BALL

1шт.

240

XJBT-00862

BEARING-BALL

1шт.

250

XJBT-00467

CIRCLIP-EXTERNAL

1шт.

260

XJBT-00894

KEY-WOODRUFF

1шт.

270

XJBT-02009

STOPPER-FUEL C/SHAFT

1шт.

280

XJBT-00470

SCREW-CSK-H

4шт.

290

XJBT-00471

SCREW-SET

2шт.

300

XJBT-01861

COVER-FUEL CAMSHAFT

1шт.

310

XJBT-01862

GASKET-SHAFT COVER

1шт.

320

XJBT-00898

BOLT

4шт.

330

XJBT-01915

GASKET-INJ PUMP

1шт.

340

XJBT-01906

GEAR-INJECTION PUMP

1шт.

350

XJBT-00474

NUT-UBS

1шт.

360

XJBT-00203

NUT-FLANGE

3шт.

370

XJBT-00454

BOLT-FLANGE

2шт.

380

XJBT-00911

GASKET

2шт.

Выбрано товаров: 40