Запчасти Hyundai HSL1200T PAGE 9702 OIL COOLER ДВИГАТЕЛЬ БАЗА

Схема запчастей Hyundai HSL1200T - PAGE 9702 OIL COOLER ДВИГАТЕЛЬ БАЗА
FIT
1:1
100%

Артикул

Название

Примечание

Количество

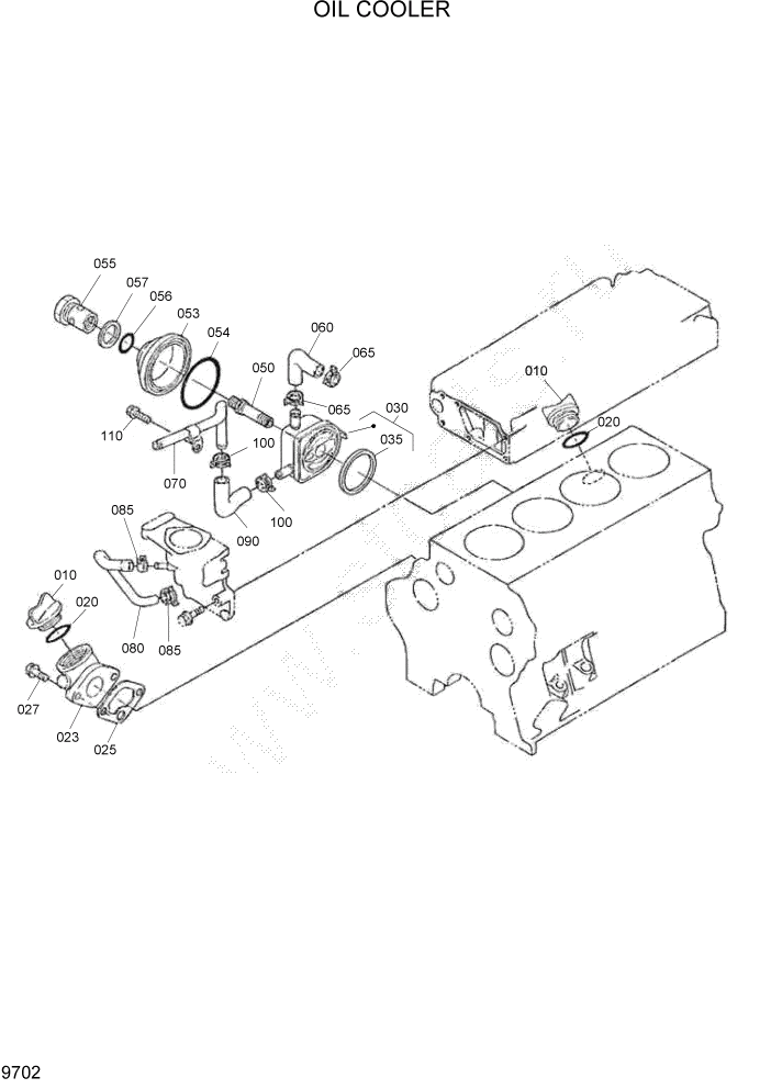
10

XJBT-02220

PLUG-OIL FILTER

2шт.

20

XJBT-00632

O-RING

2шт.

23

XJBT-01083

FLANGE-OIL FILTER

1шт.

25

XJBT-01096

GASKET

1шт.

27

XJBT-00200

BOLT-FLANGE

2шт.

30

XJBT-01898

OIL COOLER ASSY

1шт.

35

XJBT-01042

GASKET-OIL COOLER

1шт.

50

XJBT-01884

JOINT

1шт.

53

XJBT-02103

COVER-OIL COOLER

1шт.

54

XJBT-01727

O-RING

1шт.

55

XJBT-02100

NUT-OIL COOLER

1шт.

56

XJBT-00664

O-RING

1шт.

57

XJBT-00827

GASKET

1шт.

60

XJBT-01900

PIPE-OIL COOLER

1шт.

65

XJBT-00072

CLAMP-HOSE

2шт.

70

XJBT-01901

PIPE-OIL COLLER

1шт.

80

XJBT-02177

PIPE-OIL COLLER

1шт.

85

XJBT-00072

CLAMP-HOSE

2шт.

90

XJBT-01902

PIPE-OIL COLLER

1шт.

100

XJBT-00072

CLAMP-HOSE

2шт.

110

XJBT-00454

BOLT-FLANGE

1шт.

Выбрано товаров: 21