Запчасти Hyundai HSL610 PAGE 0150 GENERATOR ДВИГАТЕЛЬ БАЗА

Схема запчастей Hyundai HSL610 - PAGE 0150 GENERATOR ДВИГАТЕЛЬ БАЗА
FIT
1:1
100%

Артикул

Название

Примечание

Количество

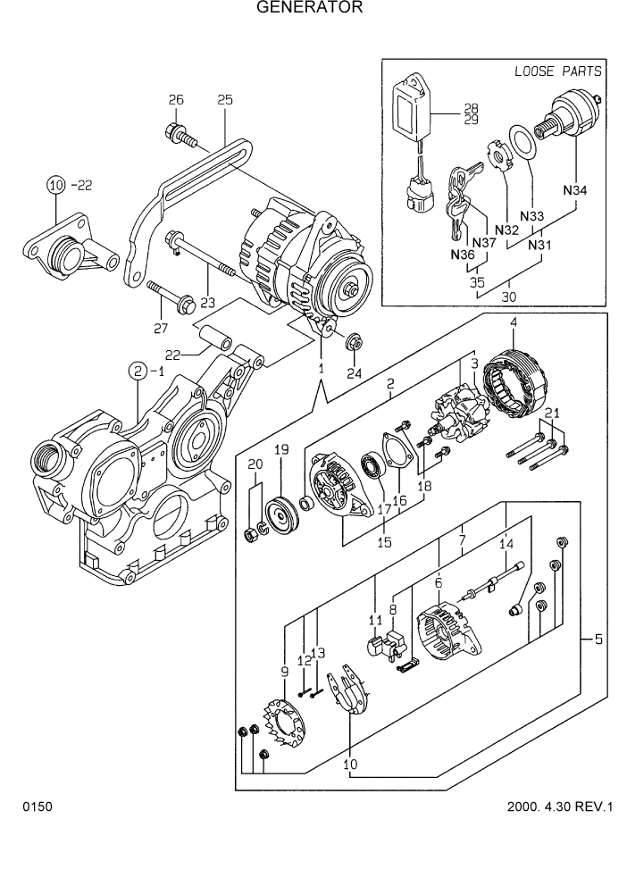
1

119836-772

GENERATOR

1шт.

2

119836-777

ROTOR ASSY

1шт.

3

119836-7785

BALL BEARING

1шт.

4

119836-7771

STARTER ASSY

1шт.

5

119836-77721

COVER ASSY-REAR

1шт.

6

119836-7773

COVER-REAR

1шт.

7

119836-77741

BRUSH ASSY-REG

1шт.

8

119836-7775

BRUSH ASSY

1шт.

9

119836-7776

GUIDE-FAN SIDE

1шт.

10

119836-7777

DIODE ASSY

1шт.

11

119836-7778

CONDENSER

1шт.

12

119836-77871

BOLT

1шт.

13

119836-7788

BOLT

1шт.

14

119836-7789

WIRE ASSY-LEAD

1шт.

15

119836-7779

COVER ASSY-FRONT

1шт.

16

119836-778

RETAINER-BEARING

1шт.

17

119836-7784

BALL BEARING

1шт.

18

119836-7786

SCREW KID

1шт.

19

119836-7781

PULLEY

1шт.

20

119836-7782

NUT ASSY-PULLEY

1шт.

21

119836-7783

BOLT-THROUGH

1шт.

22

119820-7734

SPACER

1шт.

23

129136-77251

BOLT

1шт.

24

26366-080002

NUT

#0109

1шт.

24-1

129612-7726

NUT-GENERATOR

#0110

1шт.

25

129100-7732

ADJUSTER-V-BELT

1шт.

26

119810-7734

BOLT

1шт.

27

26106-080502

BOLT

1шт.

28

119632-7792

TIMER

1шт.

29

128300-7792

TIMER

1шт.

30

194215-5211

SWITCH-STARTING

1шт.

N31

194215-5215

SWITCH ASSY-STARTING

NOT

1шт.

N32

194215-5232

NUT

NOT

1шт.

N33

194275-5233

PACKING

NOT

1шт.

N34

194215-5234

BODY

NOT

1шт.

35

194155-5216

KEY

1шт.

N36

194155-5219

KEY

NOT

2шт.

N37

194275-5236

RING

NOT

1шт.

N

@

NOT INDIVIDUALLY SUPPLIED

NOT

1шт.

Выбрано товаров: 39