Запчасти Hyundai HSL610 PAGE 3080 CONTROL VALVE ГИДРАВЛИЧЕСКАЯ СИСТЕМА

Схема запчастей Hyundai HSL610 - PAGE 3080 CONTROL VALVE ГИДРАВЛИЧЕСКАЯ СИСТЕМА
FIT
1:1
100%

Артикул

Название

Примечание

Количество

31S4-00030

CONTROL VALVE

1шт.

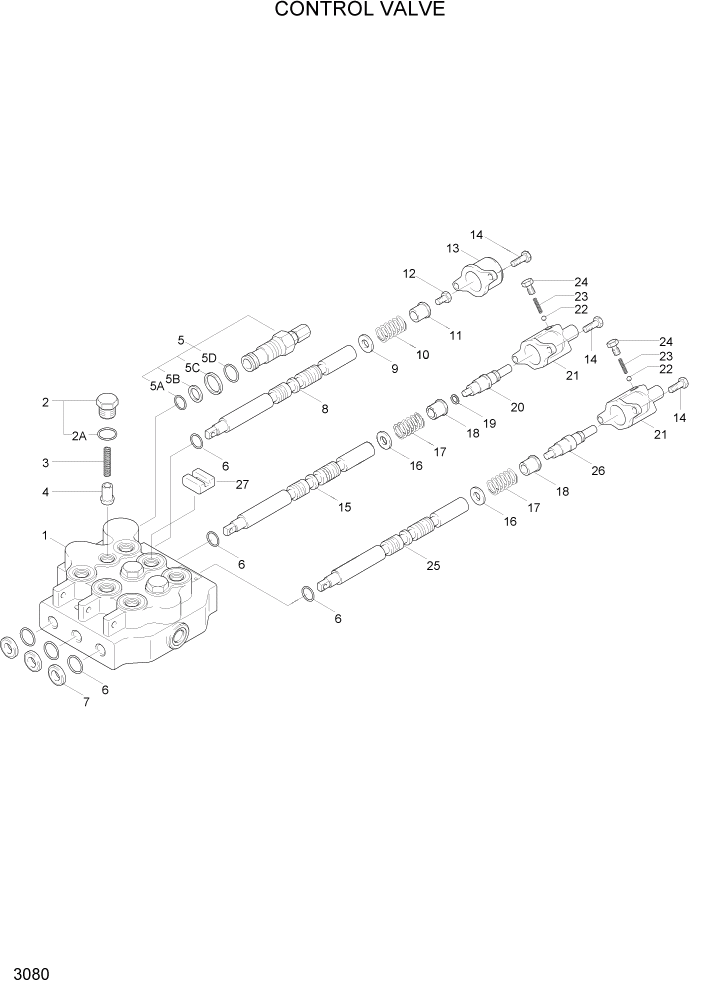
1

1632-1-3J

BODY-MACHINED

1шт.

2

1602-5A

ASSY-PLUG

3шт.

K2A

1602-5A-1

O-RING

3шт.

3

1325-84

SPRING

3шт.

4

1602-4

POPPET-LOAD CHECK

3шт.

5

10782-23

VALVE RELIEF

1шт.

K5A

10782-2300-1

O-RING

1шт.

K5B

10782-2300-2

BACK-UP RING

1шт.

K5C

10782-2300-3

O-RING

1шт.

K5D

10782-2300-4

BACK-UP RING

1шт.

K6

10815-114

O-RING

6шт.

K7

10628

WIPER ROD

3шт.

8

1602-38

SPOOL BUCKET

1шт.

9

1225-6

RETURN WASHER

1шт.

10

1225-18

SPRING RETURN

1шт.

11

1225-4

SPACER

1шт.

12

30049-8308P

SCREW

1шт.

13

1225-55

END CAP

1шт.

14

30028-8208P

SCREW

6шт.

15

1602-146

SPOOL BOOM

1шт.

16

1335-3

WASHER

2шт.

17

1335-8

SPRING RETURN

2шт.

18

1335-4

SPACER

2шт.

19

10816-902

O-RING

1шт.

20

1602-4

SPOOL-DETENT

1шт.

21

1225-155

CAP-DETENT END

2шт.

22

30025-6

BALL-STEEL

4шт.

23

1260-25

SPRING-DETENT

4шт.

24

1335-7

PLUG-DETENT

4шт.

25

1335-13

SPOOL-AUX

1шт.

26

1602-131

SPOOL-DETENT

1шт.

27

1335-28-19

PLATE-ORIFICE

1шт.

K

30029-304

SEAL KIT(K)

1шт.

Выбрано товаров: 34