Запчасти Hyundai HSL610 PAGE 8012 HAND CONTROL 2(HAND ONLY,LEVER ASSY 1/2) СИСТЕМА УПРАВЛЕНИЯ

Схема запчастей Hyundai HSL610 - PAGE 8012 HAND CONTROL 2(HAND ONLY,LEVER ASSY 1/2) СИСТЕМА УПРАВЛЕНИЯ
FIT
1:1
100%

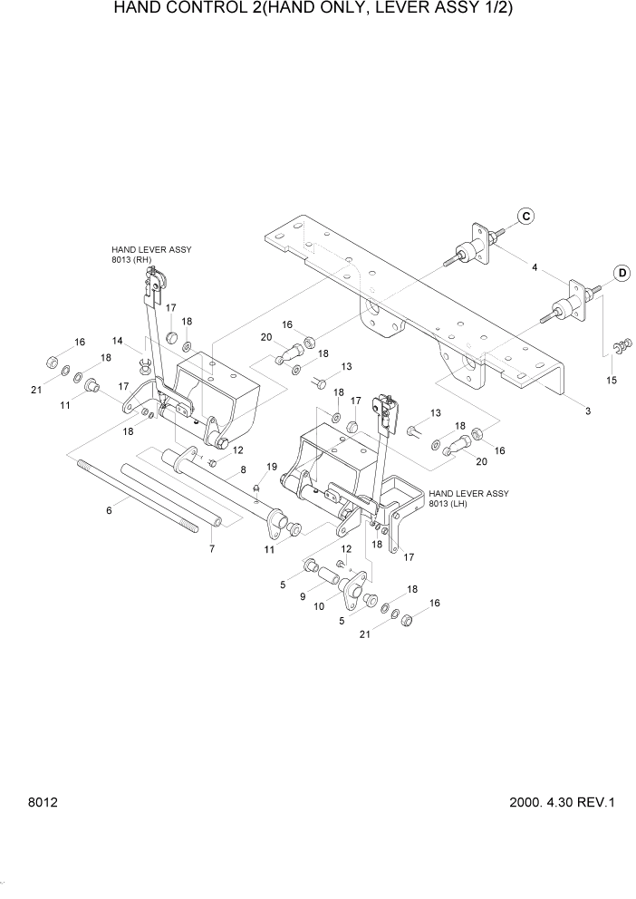
Артикул

Название

Примечание

Количество

*

80S4-00060

HAND LEVER SUB ASSY

HAND ONLY #0130

1шт.

*-1

@

LEVER ASSY-LH

NOT

1шт.

*-2

@

LEVER ASSY-RH

NOT

1шт.

3

82S4-00040

PUMP MTG BRACKET

1шт.

4

82S4-00050

SPRING BOLT ASSY

2шт.

5

81S4-10210

BUSHING-NYLON

2шт.

6

82S5-10300

BOLT-HINGE

1шт.

7

82S5-10310

SPACER

1шт.

8

82S4-10320

HINGE-BUCKET

1шт.

9

82S5-10350

SPACER

1шт.

10

82S4-10360

HINGE-BOOM

1шт.

11

41S1-2029

BUSHING-NYLON

2шт.

12

S017-100402

BOLT-HEX

2шт.

13

S017-100452

BOLT-HEX

2шт.

14

S037-102012

BOLT-W/WASHER

8шт.

15

S037-102522

BOLT-W/WASHER

4шт.

16

S205-101002

NUT-HEX

4шт.

17

S275-100002

NUT-SELF LOCKING

4шт.

18

S403-102002

WASHER-PLAIN

10шт.

19

S651-060008

NIPPLE-GREASE

1шт.

20

S923-110000

ROD END-FEMALE

2шт.

21

S411-100002

WASHER-SPRING

2шт.

Выбрано товаров: 22