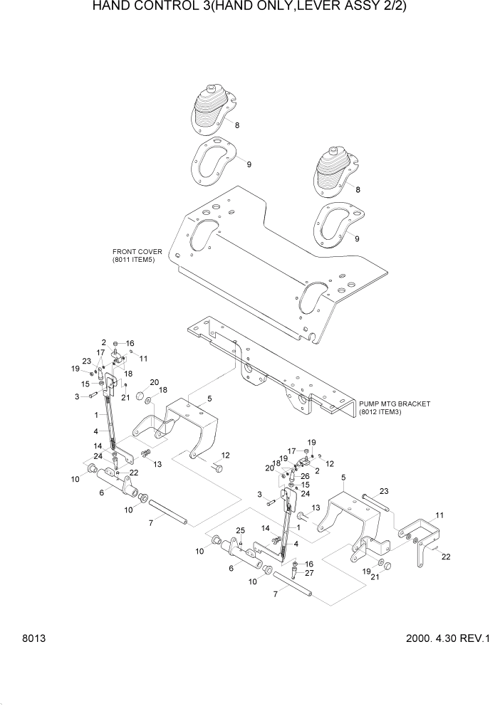
Запчасти Hyundai HSL610 PAGE 8013 HAND CONTROL 3(HAND ONLY,LEVER ASSY 2/2) СИСТЕМА УПРАВЛЕНИЯ

Схема запчастей Hyundai HSL610 - PAGE 8013 HAND CONTROL 3(HAND ONLY,LEVER ASSY 2/2) СИСТЕМА УПРАВЛЕНИЯ
FIT
1:1
100%

Артикул

Название

Примечание

Количество

*

80S4-00060

HAND LEVER SUB ASSY

HAND ONLY #0130

1шт.

*-1

82S4-00010

HAND LEVER ASSY(LH)

SEE 8012

1шт.

*-2

82S4-00310

HAND LEVER ASSY(RH)

SEE 8012

1шт.

1

82S4-00020

HAND LEVER WA-LH

1шт.

1

82S4-00030

HAND LEVER WA-RH

1шт.

2

82S5-00100

PLATE-LINK

2шт.

3

82S5-00120

PIN

2шт.

4

82S5-00130

ROD

2шт.

5

82S4-00150

BRACKET-LEVER/LH

1шт.

5

82S4-00330

BRACKET-LEVER/RH

1шт.

6

82S4-00180

BOSS-LEVER/LH

1шт.

6

82S4-00360

BOSS-LEVER/RH

1шт.

7

82S4-00220

SPACER

2шт.

8

82S5-00251

BOOTS-HAND LEVER

2шт.

9

82S5-00260

PLATE-LH

1шт.

9

82S5-00270

PLATE-RH

1шт.

10

41S1-2029

BUSHING-NYLON

4шт.

11

81S4-00170

PLATE-PEDAL LOCK

1шт.

12

S175-060252

BOLT-HEX,RD HD

2шт.

13

S017-101502

BOLT-HEX

2шт.

14

S035-103522

BOLT-W/WASHER

4шт.

15

S205-061002

NUT-HEX

2шт.

16

S205-101002

NUT-HEX

2шт.

17

S206-141002

NUT-HEX

2шт.

18

S403-062002

WASHER-PLAIN

4шт.

19

S403-102002

WASHER-PLAIN

8шт.

20

S275-060002

NUT-SELF LOCKING

2шт.

21

S275-100002

NUT-SELF LOCKING

2шт.

22

S461-320202

PIN-SPLIT

2шт.

23

S491-101102

PIN-CLEVIS

1шт.

24

S601-010004

RING-RETAINER

2шт.

25

S651-060008

NIPPLE-GREASE

2шт.

26

S923-106000

ROD END

2шт.

27

S923-110000

ROD END-FEMALE

2шт.

Выбрано товаров: 34