Запчасти Hyundai R200LC ENGINE CONTROL SYSTEM(NON MODE, -#1630)

Схема запчастей Hyundai R200LC - ENGINE CONTROL SYSTEM(NON MODE, -#1630)
FIT
1:1
100%

Артикул

Название

Примечание

Количество

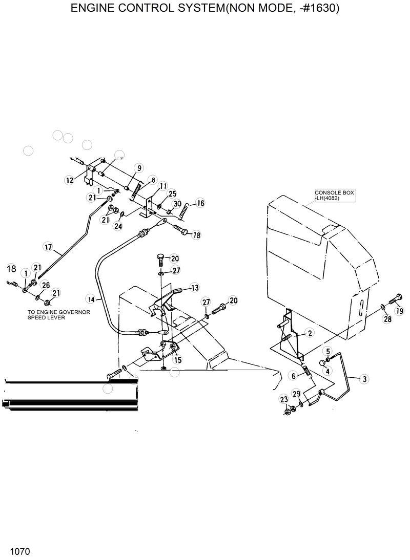
E111-5105

E111-5105-Lever Wa

1

E111-4504

E111-4504-End-Rod

10

E111-4520

E111-4520-Bushing

11

E111-4601

E111-4601-Bracket

12

E111-4602

E111-4602-Bracket

13

E111-4603

E111-4603-Lever Assy

14

E111-4604

E111-4604-Cable Assy

15

E111-4605

E111-4605-Bracket

16

E111-4606

E111-4606-Spring

17

E111-4607

E111-4607-Rod

18

S015-060252

S015-060252-Bolt-Hex

19

S017-100202

S017-100202-Bolt-Hex

2

E111-4507

E111-4507-Bracket

20

S015-080252

S015-080252-Bolt-Hex

21

S203-061002

S203-061002-Nut-Hex

22

S203-081002

S203-081002-Nut-Hex

23

S203-121002

S203-121002-Nut

24

S403-062002

S403-062002-Washer-Plain

25

S403-122002

S403-122002-Washer-Plain

26

S411-060002

S411-060002-Washer-Spring

27

S411-080002

S411-080002-Washer-Spring

28

S411-100002

S411-100002-Washer-Spring

29

S411-120002

S411-120002-Washer-Spring

3

E111-4508

E111-4508-Lever Wa

30

S601-011004

S601-011004-Ring-Retaining

4

E111-4509

E111-4509-Knob

5

E111-4510

E111-4510-Rubber-Cushion

6

E111-4512

E111-4512-Spring-Extension

7

E111-4514

E111-4514-Pin

8

E111-4515

E111-4515-Spring

9

E111-4519

E111-4519-Bushing

Выбрано товаров: 31