Запчасти Hyundai R200LC ELECTRIC CIRCUIT(NON MODE, -#1630)

Схема запчастей Hyundai R200LC - ELECTRIC CIRCUIT(NON MODE, -#1630)
FIT
1:1
100%

Артикул

Название

Примечание

Количество

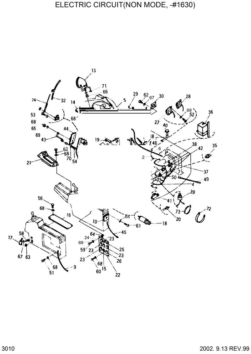
E221-0103

E221-0103-Harness-Rh

21E1-2055

21E1-2055-Head Light Assy

1

E120-2527

E120-2527-Panel-Instrument,Rh

10

E121-2529

E121-2529-Fuse Box

11

21E5-1014

21E5-1014-Harness-Wiper Motor

12

E221-3008

E221-3008-Harness-Cab

13

21E7-0539

21E7-0539-Head Light

13-1

21E1-49590

21E1-49590-. Bulb-Side Marker

14

E122-3020

E122-3020-Lamp-Room

15

E123-2523

E123-2523-Horn Relay

16

E123-2531

E123-2531-Instrument Panel-Lh

17

E123-2566

E123-2566-Limit Switch Safety

18

E123-2567

E123-2567-Cigar Lighter Assy

19

E123-3022

E123-3022-Switch-Door

2

E121-0103

E121-0103-Harness-Rh

20

E123-4012

E123-4012-Sender-Temp

21

E124-2541

E124-2541-Cluster Assy

22

E124-2551

E124-2551-Plate-Board

22-1

E120-2551

E120-2551-. Relay Board Assy

23

E125-2528

E125-2528-Relay-Engine Stop

24

E125-2545

E125-2545-Relay-5p

25

E125-2526

E125-2526-Relay-Light

26

E125-2550

E125-2550-Idle Controller

27

E126-2024

E126-2024-Horn-Low

28

E126-2025

E126-2025-Horn-High

29

E126-3027

E126-3027-Antenna

3

E121-0104

E121-0104-Harness-Main

30

E126-3028

E126-3028-Speaker

32

E127-5002

E127-5002-Blade-Wiper

33

E127-3063

E127-3063-Tank-Washer

34

E127-3133

E127-3133-Holder-Cable Tie

35

21E3-0029

21E3-0029-Sendor-Hyd Temp

35-1

E127-3036

E127-3036-. Adapter

36

E128-0054

E128-0054-Tank-Reservoir

36-1

E128-1054

E128-1054-. Cap-Reservoir Tank

36-2

E128-0070

E128-0070-. Sensor-Reservior

37

21E3-5001

21E3-5001-Switch-Eng Oil Press

38

E128-0057

E128-0057-Switch-Over Heat

39

E128-0059

E128-0059-Switch-Air Cleaner

4

E121-0105

E121-0105-Engine Harness

40

E128-1052

E128-1052-Sender-Fuel

41

E229-0013

E229-0013-Starter Motor

42

E129-0061

E129-0061-Alternator

43

E129-2001

E129-2001-Stay-Mirror

44

E129-2003

E129-2003-Mirror-Back

45

E121-2534

E121-2534-Cable-Earth

45

E121-2534

E121-2534-Cable-Earth

46

E221-1502

E221-1502-Cable(Batt-Relay)

47

E221-0503

E221-0503-Cable(Battery-Battery)

48

E221-1504

E221-1504-Cable(Batt-Batt Box)

49

E221-1505

E221-1505-Cable(Eng Earth-Frame)

5

E121-0502

E121-0502-Harness-Boom Light

50

E225-0004

E225-0004-Relay-Start

51

S015-050102

S015-050102-Bolt-Hex

52

S015-060122

S015-060122-Bolt-Hex

53

S015-060202

S015-060202-Bolt-Hex

54

S015-080102

S015-080102-Bolt-Hex

55

S141-050162

S141-050162-Screw

56

S141-050202

S141-050202-Screw-Flat Hd

57

S151-040162

S151-040162-Screw-Tapping

58

S161-030102

S161-030102-Screw-Rd Hd

59

S161-060162

S161-060162-Screw-Rd Hd

6

E121-0505

E121-0505-Cable(S/Motor-Batt)

60

S161-050162

S161-050162-Screw-Rd Hd

61

S161-050202

S161-050202-Screw-Rd Hd

62

S161-040402

S161-040402-Screw-Rd Hd

63

S203-031002

S203-031002-Nut

64

S203-041002

S203-041002-Nut-Hex

65

S203-061002

S203-061002-Nut-Hex

66

S205-101002

S205-101002-Nut-Hex

67

S411-040002

S411-040002-Washer-Spring

68

S411-050002

S411-050002-Washer-Spring

69

S411-060002

S411-060002-Washer-Spring

7

E121-2002

E121-2002-Cable-Wire Harness

70

S411-080002

S411-080002-Washer-Spring

71

S411-100002

S411-100002-Washer-Spring

72

S541-200002

S541-200002-Clamp-Tube

73

S551-050203

S551-050203-Clamp-Band

74

E127-5001

E127-5001-Arm-Wiper

8

E121-2018

E121-2018-Harness-Air Con

N

@

@-Not Individually Supplied

N31

E171-3031

E171-3031-Wiper Motor

Выбрано товаров: 82