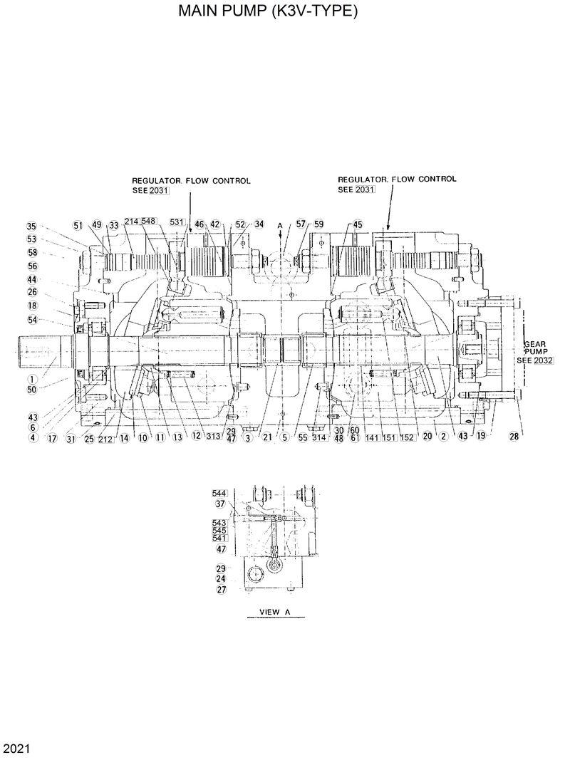
Запчасти Hyundai R280LC MAIN PUMP(K3V-TYPE)

Схема запчастей Hyundai R280LC - MAIN PUMP(K3V-TYPE)
FIT
1:1
100%

Артикул

Название

Примечание

Количество

PNPA2550A

PNPA2550A-.. Name Plate

*

31E2-03010

31E2-03010-Main Pump Assy

*-1

K3V140DT-111R

K3V140DT-111R-. Main Pump Unit

*-2

KR3H-2N-9

KR3H-2N-9-. Regulator

*-3

3803830583

3803830583-. Gear Pump

1

2933800890

2933800890-.. Shaft-Drive(Fr)

10

2943800488

2943800488-.. Plate-Set

11

2953801840

2953801840-.. Bushing-Spherical

12

2953801842

2953801842-.. Spring-Cylinder

13

2953801841

2953801841-.. Spacer

14

871A00AA-124

871A00AA-124-.. Plate-Shoe

17

2923800936

2923800936-.. Support-Sp

18

2943800518

2943800518-.. Cover(Fr)-Seal

19

2933800906

2933800906-.. Cover-Rear

2

2933800903

2933800903-.. Shaft-Drive(Rr)

20

2923800904

2923800904-.. Casing-Pump

21

2923801022

2923801022-.. Valve-Block

214

PIR222616

PIR222616-.. Bushing-Tilting

24

2933800944

2933800944-.. Casing-Assist

25

2953801868

2953801868-.. Screw

26

OSBM820

OSBM820-.. Screw-Hex Soc Hd

27

OSBM655

OSBM655-.. Screw

28

OSBM1070

OSBM1070-.. Screw

29

OVP14

OVP14-.. Plug

3

2953801867

2953801867-.. Coupling-Spline

30

OVP34

OVP34-.. Plug

31

PBP116-2403

PBP116-2403-.. Plug

33

2943800503

2943800503-.. Pistion-Servo

34

2953801865

2953801865-.. Stopper(L)

35

2953801864

2953801864-.. Stopper(S)

37

2953802044

2953802044-.. Spacer

4

PNUP309E

PNUP309E-.. Bearing-Roller

42

OORBG40

OORBG40-.. O-Ring

43

OORBG105

OORBG105-.. O-Ring

44

PCPP170

PCPP170-.. O-Ring

45

PCPP165

PCPP165-.. O-Ring

46

OORBPB

OORBPB-.. O-Ring

47

OORBP11

OORBP11-.. O-Ring

48

OORBP24

OORBP24-.. O-Ring

49

OORBP21

OORBP21-.. O-Ring

5

PRNA6932

PRNA6932-.. Bearing-Needle

50

PSPD55788F

PSPD55788F-.. Seal-Oil

51

OT2BP21

OT2BP21-.. Ring-Back Up

52

OT2BG40

OT2BG40-.. Ring-Back Up

53

ORNM20

ORNM20-.. Nut

54

OSR45

OSR45-.. Ring-Snap

55

PJR1014

PJR1014-.. Pin-2

56

OSPV614

OSPV614-.. Pin-Spring

57

OEBM12

OEBM12-.. Bolt-Eye

58

PSSSM2035

PSSSM2035-.. Screw-Set

59

2953801866

2953801866-.. Screw-Set

6

2953802066

2953802066-.. Spacer-Bearing

60

PNPA-2550A

PNPA-2550A-.. Plate-Name

61

OSK2548

OSK2548-.. Pin

NS151

38A01-151

38A01-151-.. Pistion

NS152

38A00-152A

38A00-152A-.. Shoe

NS531

2943800502

2943800502-.. Pin-Tilting

NS541

2953802029

2953802029-.. Seat

NS543

2953802030

2953802030-.. Stopper(1)

NS544

2953802043

2953802043-.. Stopper(2)

NS548

2953802202

2953802202-.. Pin-Feed Back

S

2953802048

2953802048-Check Assy 1

S

2953802049

2953802049-Check Assy 2

S

2953801988

2953801988-Tilting Pin Sub Assy

S

2953802069

2953802069-Cylinder Assy-Lh

S

2953802068

2953802068-Cylinder Assy

S

38B00-11

38B00-11-Piston Assy

S

2953801991

2953801991-Swash Plate Sub Assy

S141

2933800878

2933800878-.. Block-Cylinder

S212

2933800908

2933800908-.. Plate-Swash

S313

38A0R-313N

38A0R-313N-.. Plate Valve(Rh)

S314

33A0R-314N

33A0R-314N-.. Plate-Valve(Lh)

S545

ODW732

ODW732-.. Ball-Steel

Выбрано товаров: 73