Запчасти Hyundai R290LC TUBOCHARGER LOCATION

Схема запчастей Hyundai R290LC - TUBOCHARGER LOCATION
FIT
1:1
100%

Артикул

Название

Примечание

Количество

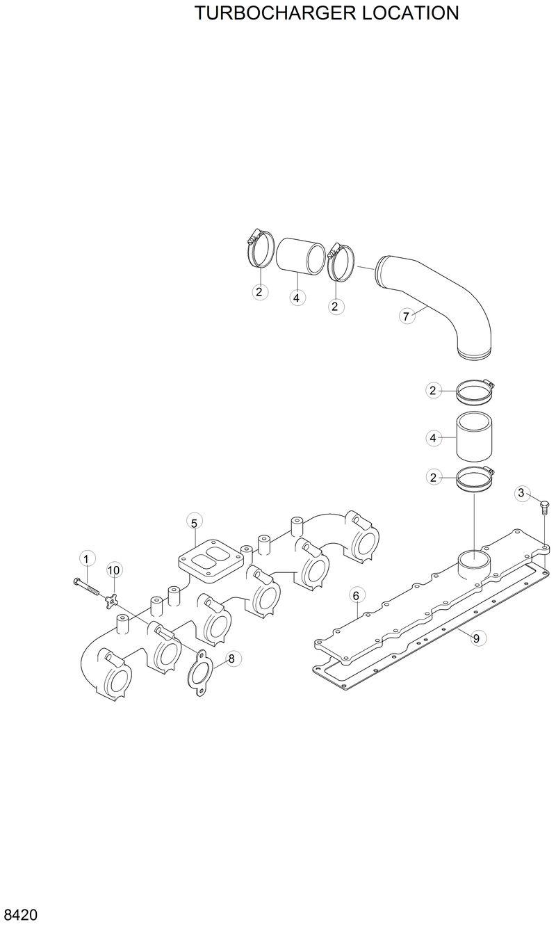
1

3914956

3914956-Screw

10

3914708

3914708-Lockplate

2

3026396

3026396-Clamp-Hose

3

3904341

3904341-Screw

4

3916529

3916529-Hose-Plain

5

3906720

3906720-Manifold-Exhaust

6

3906737

3906737-Cover-Intake

7

3914944

3914944-Tube-Air

8

3911942

3911942-Gasket-Exh Manifold

9

3914311

3914311-Gasket-Int Mani Cvr

Выбрано товаров: 10