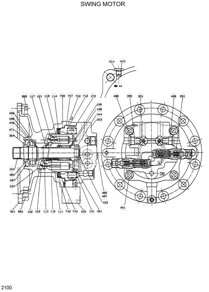
Запчасти Hyundai R290LC SWING MOTOR

Схема запчастей Hyundai R290LC - SWING MOTOR
FIT
1:1
100%

Артикул

Название

Примечание

Количество

*

31E9-0005

31E9-0005-Swing Motor

031

3753700422

3753700422-.. Valve-Time Delay

051

V8802154075

V8802154075-.. Valve-Relife

101

3733700398

3733700398-.. Shaft-Drive

106

3753700450

3753700450-.. Spacer

111

3733700449

3733700449-.. Cylinder

113

3753700454

3753700454-.. Retainer

114

3753700452

3753700452-.. Spring-Cylinder

116

PJR424

PJR424-.. Rod-Push

117

3753700464

3753700464-.. Spacer(Fr)

118

3753700465

3753700465-.. Spacer(Rr)

123

3743700406

3743700406-.. Plate-Set

124

3753700402

3753700402-.. Plate-Shoe

131

3733700533

3733700533-.. Plate-Valve

301

3723700206

3723700206-.. Casing(A)

303

3723700191

3723700191-.. Casing(A)-Valve

304

3753700451

3753700451-.. Cover-Front

351

377CAOAA-351

377CAOAA-351-.. Plunger

355

377CAOAA-355

377CAOAA-355-.. Spring

401

OSBM2045

OSBM2045-.. Bolt

432

OSR45

OSR45-.. Ring-Snap

433

OSR25

OSR25-.. Ring-Snap

437

ORR100

ORR100-.. Ring-Snap

438

ORR58

ORR58-.. Ring-Snap

443

PNUP309V

PNUP309V-.. Bearing-Roller

444

PNU305EV

PNU305EV-.. Bearing-Roller

451

OSPV816

OSPV816-.. Pin

468

OVP14

OVP14-.. Plug

468

OVP14

OVP14-.. Plug

469

PROM30

PROM30-.. Plug

471

OORBG100

OORBG100-.. O-Ring

472

3753700790

3753700790-.. O-Ring

487

OORBP11

OORBP11-.. O-Ring

487

OORBP11

OORBP11-.. O-Ring

488

OORBP28

OORBP28-.. O-Ring

491

PTCN45M

PTCN45M-.. Seal-Oil

702

3733700399

3733700399-.. Piston-Brake

706

OORWG42

OORWG42-.. O-Ring

707

OORWG45

OORWG45-.. O-Ring

712

3743700453

3743700453-.. Spring-Brake

742

3743700486

3743700486-.. Plate-Friction

743

3743700415

3743700415-.. Plate-Separator

993

OBP14

OBP14-.. Plug

994

OBP34

OBP34-.. Plug

N*-1

Y33700953

Y33700953-. Swing Motor Unit

N*-2

RG16S24D7

RG16S24D7-. Reduction Gear

N121

3753700472

3753700472-.. Piston(H1)

N122

3743700378

3743700378-.. Shoe

Выбрано товаров: 0