Качественные детали и логистика
Оригинальные и аналоговые запчасти с доставкой по России, Казахстану и Беларуси
©2022 PartSell ООО "Система" ИНН 2463123282 ОГРН 1212400004838
Центральный офис: г. Красноярск, Академика Киренского, д.87, пом.4
Телефон: 8 (800) 777-65-74 Email: zakaz@partsell.ru
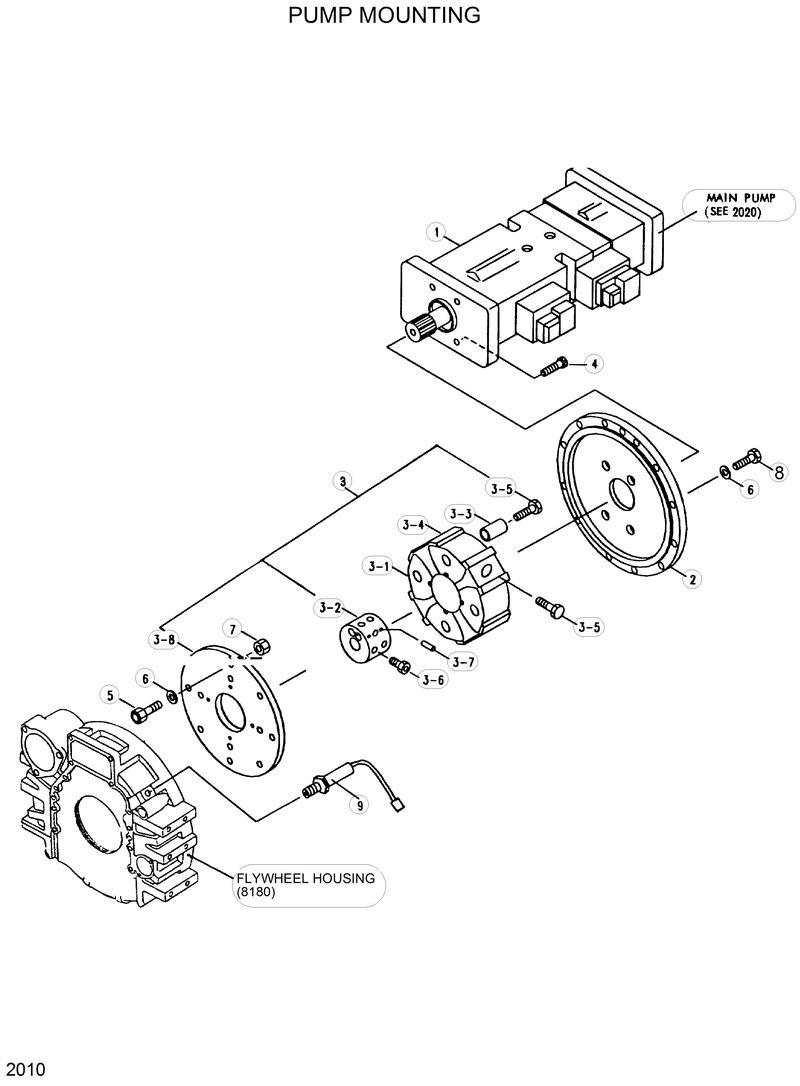
PUMP MOUNTING
№
Артикул
Название
Примечание
Количество
11E9-1602
11E9-1602-Housing
1
11E9-1501
11E9-1501-Main Pump
2
E211-1601
E211-1601-Housing
3
11E9-1601
11E9-1601-Coupling Assy
3-1
11E9-1503
11E9-1503-. Element
3-2
11E9-1504
11E9-1504-. Hub
3-3
11E9-1505
11E9-1505-. Bushing
3-4
11E9-1506
11E9-1506-. Insert
3-5
S017-200502
S017-200502-. Bolt-Hex
3-6
11E9-1507
11E9-1507-. Bolt-Clamping
3-7
S472-800162
S472-800162-. Pin-Spring
3-8
E211-1602
E211-1602-. Plate
4
S107-200552
S107-200552-Bolt-Socket
5
S017-100652
S017-100652-Bolt-Hex
6
S411-100002
S411-100002-Washer-Spring
7
S207-101002
S207-101002-Nut-Hex
8
S017-100602
S017-100602-Bolt-Hex
9
21E3-0042
21E3-0042-Sensor-Speed
Выбрано товаров: 0