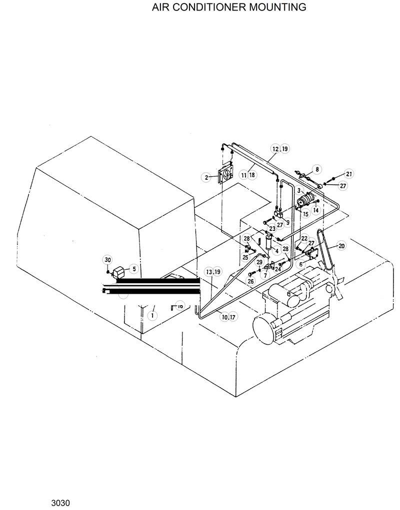
Запчасти Hyundai R420 AIR CONDITIONER MOUNTING

Схема запчастей Hyundai R420 - AIR CONDITIONER MOUNTING
FIT
1:1
100%

Артикул

Название

Примечание

Количество

*

11E7-1013

11E7-1013-Air Con Assy

1

12E1-3501

12E1-3501-Cooling Unit

10

71E7-0168

71E7-0168-. Suction Hose

11

71E1-0169

71E1-0169-. Hose

12

71E7-0170

71E7-0170-. Liquid Hose

13

71E7-0171

71E7-0171-. Liquid Hose

14

71L1-1012

71L1-1012-. Pin

15

S601-011002

S601-011002-. Ring-Retainer

16

12E1-3514

12E1-3514-. Hose-Drain

17

12E1-3517

12E1-3517-. O-Ring

18

12E1-3516

12E1-3516-. O-Ring

19

12E1-3515

12E1-3515-. O-Ring

2

71E7-0164

71E7-0164-. Condenser

20

71E7-0172

71E7-0172-. V-Bolt

21

S017-100302

S017-100302-. Bolt-Hex

22

S017-100252

S017-100252-. Bolt-Hex

23

S017-100202

S017-100202-. Bolt-Hex

24

S017-080252

S017-080252-. Bolt-Hex

25

S017-080202

S017-080202-. Bolt-Hex

26

S017-060152

S017-060152-. Bolt-Hex

27

S411-100002

S411-100002-. Washer-Spring

28

S411-080002

S411-080002-. Washer-Spring

29

S411-060002

S411-060002-. Washer-Spring

3

12E1-3502

12E1-3502-. Compressor

30

S205-061002

S205-061002-. Nut-Hex

4

12E1-3504

12E1-3504-. Receiver Dryer

5

12E1-3518

12E1-3518-. Switch Assy

6

71E7-0165

71E7-0165-. Bracket Wa

7

12E1-3513

12E1-3513-. Bracket-R/Dryer

8

12E1-3511

12E1-3511-. Adjuster

9

12E1-3512

12E1-3512-. Joint-Component

Выбрано товаров: 31