Запчасти Hyundai R420 ADJUST COMPONENT & IDLER

Схема запчастей Hyundai R420 - ADJUST COMPONENT & IDLER
FIT
1:1
100%

Артикул

Название

Примечание

Количество

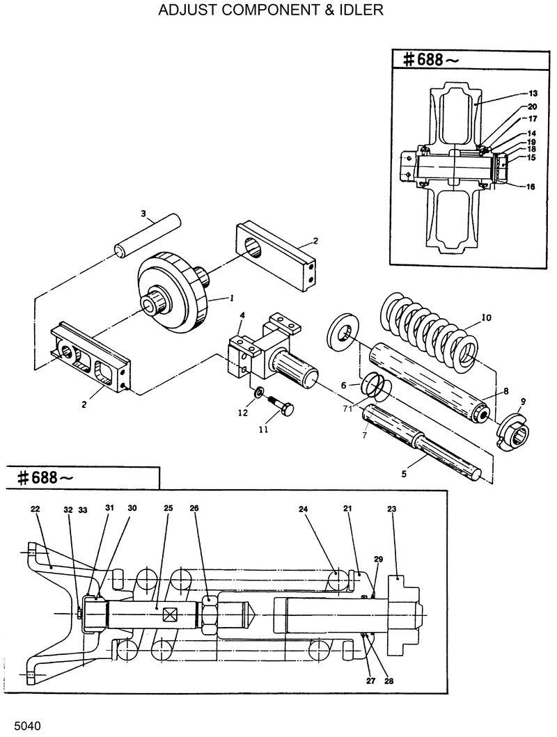
1

80060-4

80060-4-Idler

11

13283-8

13283-8-Bolt

12

11332-8

11332-8-Washer-Spring

2

35400-1

35400-1-Bracket-Idler

3

3858-8

3858-8-Rod

4

79982-2

79982-2-Bracket

5

79973-3

79973-3-Rod

6

26085-8

26085-8-Packing-Rod

7

48138-8

48138-8-Ring-Back Up

71

79981-4

79981-4-Seal-Dust

8

79974-3

79974-3-Rod

9

79979-3

79979-3-Seat-Spring

N10

79978-4

79978-4-Spring

Выбрано товаров: 13