Запчасти Hyundai R130W ENGINE OIL COOLER

Схема запчастей Hyundai R130W - ENGINE OIL COOLER
FIT
1:1
100%

Артикул

Название

Примечание

Количество

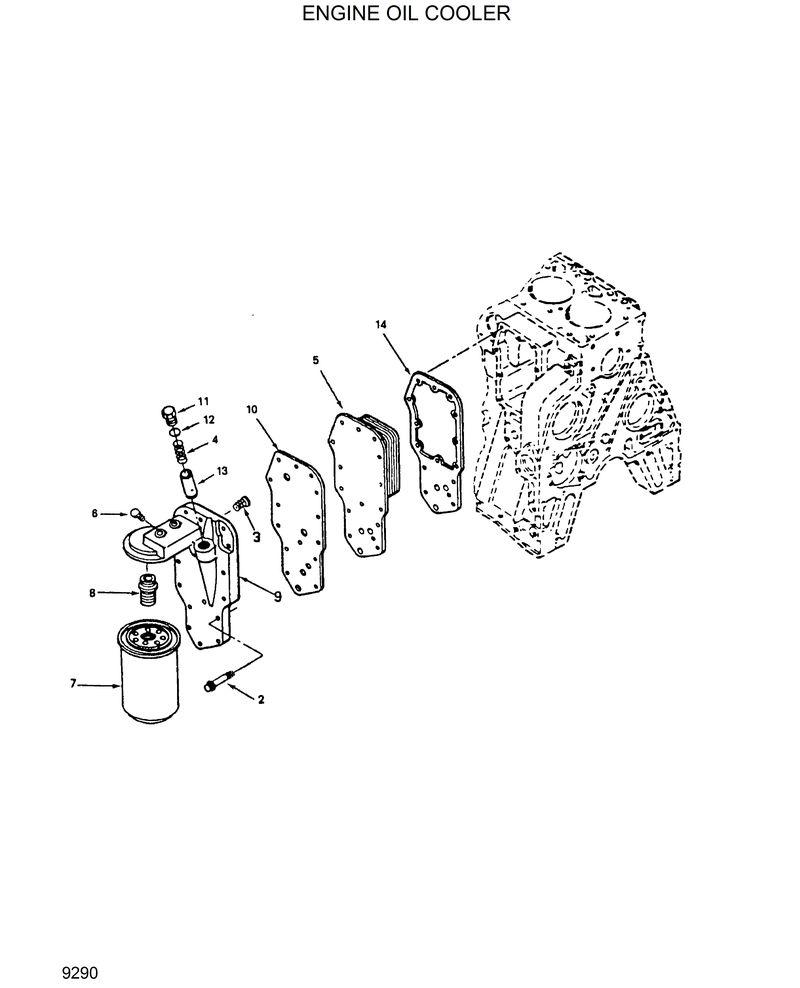
10

3912532

3912532-Gasket-Filter Head

11

3915787

3915787-Plug-Threaded

12

3912818

3912818-Seal-O-Ring

13

3914084

3914084-Plunger-Prs Regulator

14

3914387

3914387-Gasket-O/Cooler Core

2

3900632

3900632-Screw

3

3902338

3902338-Valve-Bypass

4

3903261

3903261-Spring-Compression

5

3904320

3904320-Core-Cooler

6

3906619

3906619-Plug-Pipe

7

11E1-70110

11E1-70110-Filter-Lub Oil

8

3909352

3909352-Head-Lub Oil Filter

9

3909355

3909355-Adapter-Filter Head

Выбрано товаров: 13