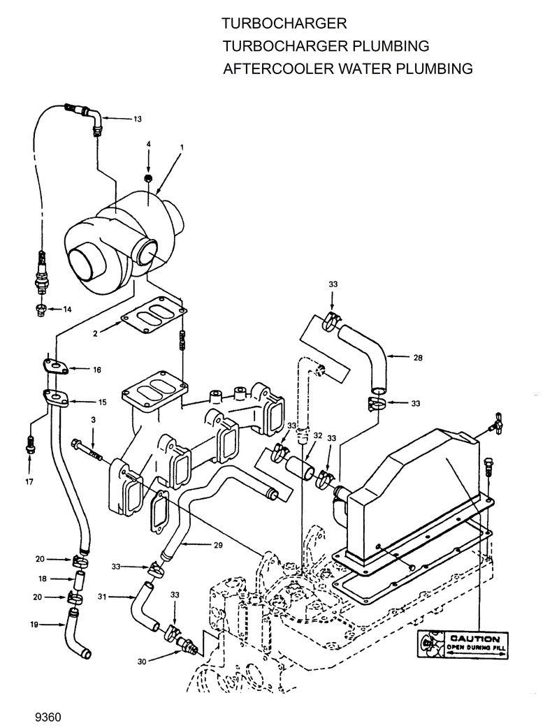
Запчасти Hyundai R130W TURBOCHARGER

Схема запчастей Hyundai R130W - TURBOCHARGER
FIT
1:1
100%

Артикул

Название

Примечание

Количество

3802113

3802113-Turbocharger

1

3906606

3906606-Turbocharger

13

3909545

3909545-Hose-Flexible

14

S-1008-1

S-1008-1-Connector-Female

15

3903741

3903741-Connection-O/Drain

16

3914338

3914338-Isolator-Vibration

17

3900630

3900630-Screw

18

3903744

3903744-Tube

19

3903745

3903745-Hose-Plain

2

3901356

3901356-Gasket-Turbocharger

20

43828-A

43828-A-Clamp-Hose

28

3903234

3903234-Hose-Elbow

29

3914855

3914855-Tube-Aftercooler

3

3818823

3818823-Stud

30

3907167

3907167-Coupling-Plain Hose

31

3903391

3903391-Hose-Molded

32

3279078

3279078-Hose-Plain

33

210753

210753-Clamp-Hose

4

3818824

3818824-Nut

N

@

@-Not Individually Supplied

Выбрано товаров: 20