Качественные детали и логистика
Оригинальные и аналоговые запчасти с доставкой по России, Казахстану и Беларуси
©2022 PartSell ООО "Система" ИНН 2463123282 ОГРН 1212400004838
Центральный офис: г. Красноярск, Академика Киренского, д.87, пом.4
Телефон: 8 (800) 777-65-74 Email: zakaz@partsell.ru
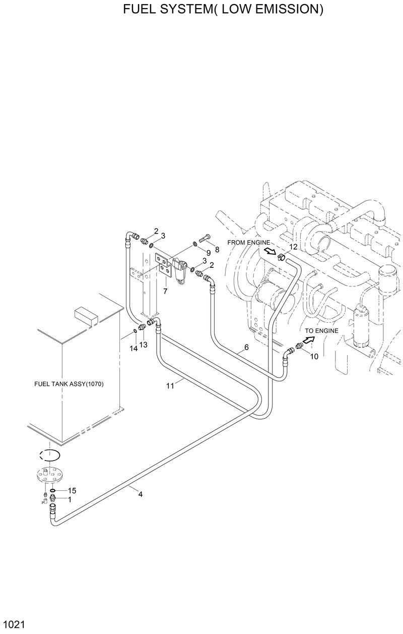
FUEL SYSTEM(LOW EMISSION)
№
Артикул
Название
Примечание
Количество
P020-110003
P020-110003-Elbow-90
1
P010-430004
P010-430004-Connector
10
P010-530004
P010-530004-Connector
11
11EM-52330
11EM-52330-Hose-Fuel
12
S520-015000
S520-015000-Clamp-Hose
13
P010-110012
P010-110012-Connector
14
S631-011001
S631-011001-O-Ring
15
S631-018001
S631-018001-O-Ring
2
11EM-52340
11EM-52340-Connector
3
P392-140000
P392-140000-Washer-Copper
4
11EM-52350
11EM-52350-Hose-Fuel
7
11EM-52370
11EM-52370-Bracket
8
S015-080202
S015-080202-Bolt-Hex
9
S411-080002
S411-080002-Washer-Spring
Выбрано товаров: 0