Запчасти Hyundai HL35C MAIN PUMP

Схема запчастей Hyundai HL35C - MAIN PUMP
FIT
1:1
100%

Артикул

Название

Примечание

Количество

@

@-Not Individually Supplied

*-2

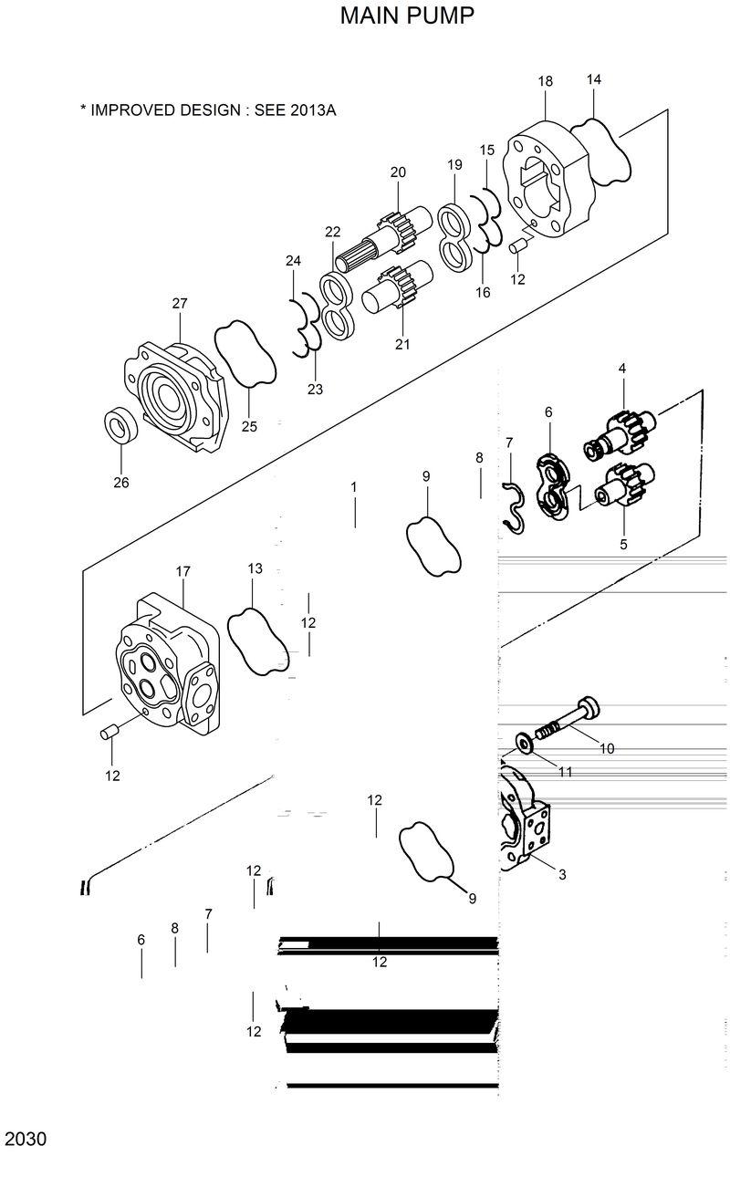
705-22-40080

705-22-40080-. Pump Assy

10

@

@-.. Bolt

11

@

@-.. Washer

12

@

@-.. Pin-Dowel

17

@

@-.. Bracket

17

@

@-.. Bracket

18

@

@-.. Case-Gear

18

@

@-.. Case-Gear

20

@

@-.. Gear-Drive

20

@

@-.. Gear-Drive

21

@

@-.. Gear-Driven

21

@

@-.. Gear-Driven

22

@

@-.. Plate-Side

22

@

@-.. Plate-Side

22

@

@-.. Plate-Side

27

@

@-.. Cover

27

@

@-.. Cover

K24

@

@-.. Seal

K24

@

@-.. Seal

K24

@

@-.. Seal

K24

@

@-.. Seal

K24

@

@-.. Seal

K24

@

@-.. Seal

K25

@

@-.. O-Ring

K25

@

@-.. O-Ring

K25

@

@-.. O-Ring

K25

@

@-.. O-Ring

K26

@

@-.. Seal-Shaft

N*

705-52-32050

705-52-32050-Pump Assy

N*-1

705-12-38530

705-12-38530-. Pump Assy

NK

705-90-01050

705-90-01050-Seal Kit(7-9,13-16,23-26)

Выбрано товаров: 32