Запчасти Hyundai HL35C DRIVE LINES

Схема запчастей Hyundai HL35C - DRIVE LINES
FIT
1:1
100%

Артикул

Название

Примечание

Количество

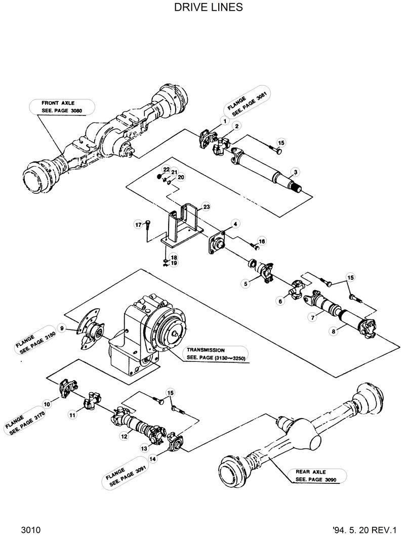
82L1-3403

82L1-3403-Shaft-Drive,Rear

82L1-3402

82L1-3402-Shaft-Drive,Middle

*

82L1-3404

82L1-3404-Shaft-Drive,Front

1

3190193

3190193-Flange-Complete

10

4646-303-026

4646-303-026-Flange-Output

11

3-75821

3-75821-Spd & Brg Assy

12

2-78681

2-78681-Necked Stub York

14

3190213

3190213-Flange-Complete

15

81L1-3410

81L1-3410-Bolt-Hex

16

S017-160502

S017-160502-Bolt-Hex

17

S018-160553

S018-160553-Bolt-Hex

18

S411-160003

S411-160003-Washer-Spring

19

S403-162003

S403-162003-Washer-Plain

20

81L1-3413

81L1-3413-Washer-Plain

21

81L1-3414

81L1-3414-Wahser-Spring

22

S206-161003

S206-161003-Nut-Hex

23

82L1-3405

82L1-3405-Bracket Wa

6

3-75958

3-75958-Spd & Brg Assy

6

3-75958

3-75958-Spd & Brg Assy

9

4646-309-010

4646-309-010-Flange-Output

N13

3-71718

3-71718-Slip York Ass'Y

N3

3-77273

3-77273-Tube Assy

N4

2-71741

2-71741-Bearing-Center

N5

2-71529

2-71529-Fitting-Yoke

N7

3-77569

3-77569-Slip York Assy

N8

3-77275

3-77275-Tube Assy

Выбрано товаров: 26