Качественные детали и логистика
Оригинальные и аналоговые запчасти с доставкой по России, Казахстану и Беларуси
©2022 PartSell ООО "Система" ИНН 2463123282 ОГРН 1212400004838
Центральный офис: г. Красноярск, Академика Киренского, д.87, пом.4
Телефон: 8 (800) 777-65-74 Email: zakaz@partsell.ru
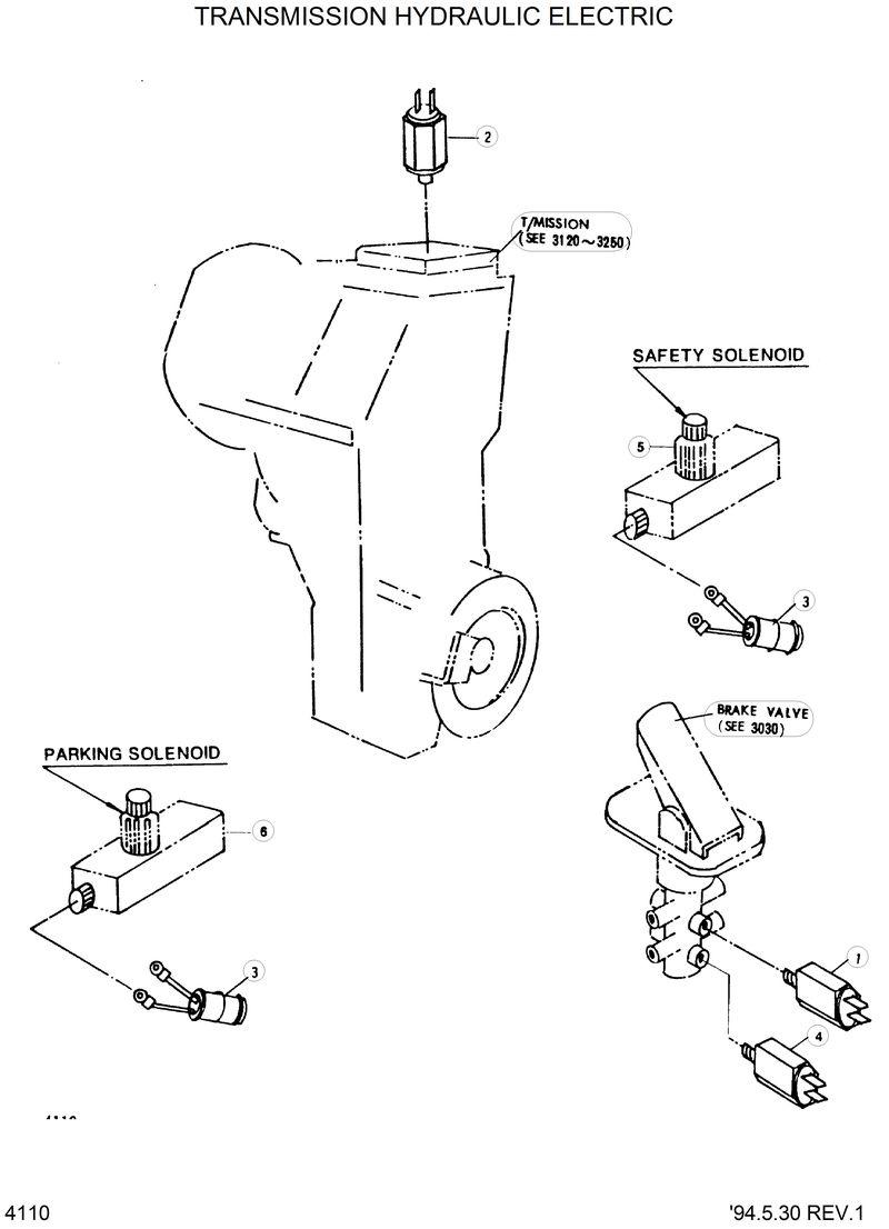
TRANSMISSION HYD ELECTRIC
№
Артикул
Название
Примечание
Количество
1
21L3-0001
21L3-0001-Sw-Clutch Cut Off
2
21L3-0002
21L3-0002-Sw-T/M Oil Pressure
3
E121-2116
E121-2116-Wire Link
4
31L1-0094
31L1-0094-Switch-Pressure
6
E131-0175
E131-0175-Solenoid Valve Assy
Выбрано товаров: 0