Запчасти Hyundai HL750 GEAR SELECOTR

Схема запчастей Hyundai HL750 - GEAR SELECOTR
FIT
1:1
100%

Артикул

Название

Примечание

Количество

*2

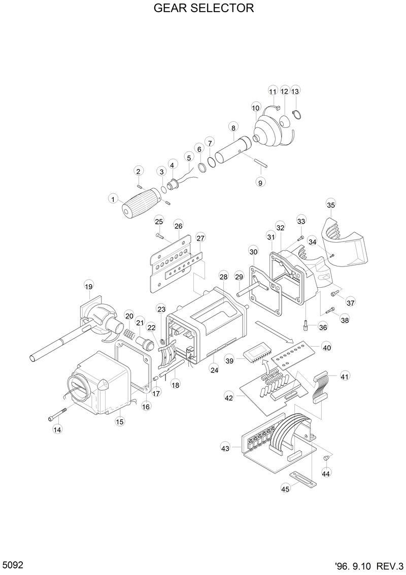
24L3-20090

24L3-20090-Selector-Gear

*2

24L3-20090

24L3-20090-Selector-Gear

1

4202245

4202245-. Cover-Grip Lever

10

4201696

4201696-. Gaiter

11

4202198

4202198-. Strap

12

4202448

4202448-. Retainer-Boot

13

5JM-10

5JM-10-. Ring-Snap

14

4201697

4201697-. Screw

15

4202494

4202494-. Housing-Grip Lever

16

4202498

4202498-. Seal-Hsg Lvl Display

18

814911

814911-. Shaft Assy-Fwd Rev

19

814912

814912-. Shaft Level Assy

2

4202405

4202405-. Screw

20

4201634

4201634-. Spring-Detent

21

4201691

4201691-. Detent

22

4201619

4201619-. Plate-Detent

23

9JM-32

9JM-32-. Retainer-Shaft

24

814914

814914-. Hsg & Fr Sticker Assy

25

4201674

4201674-. Screw

26

4201651

4201651-. Sink-Heat

27

4201679

4201679-. Seal

29

814917

814917-. Shaft Assy

3

4202453

4202453-. O-Ring

30

4202499

4202499-. Seal-Rr Cvr Display

31

4202493

4202493-. Cover-Grip Rr

33

4201699

4201699-. Screw

34

4201654

4201654-. Screw

35

4201625

4201625-. Adaptor

36

4201324

4201324-. Lock-Female Screw

37

4201717

4201717-. Screw-Adaptor

38

4201698

4201698-. Screw

4

4202387

4202387-. Switch

45

4202070

4202070-. Gasket-D15 Conn

6

4202406

4202406-. Ring-Shim

7

25K-30024

25K-30024-. O-Ring

8

4202246

4202246-. Body-Grip Lever

9

4201684

4201684-. Pin-Parallel

N

@

@-Not Individually Supplied

N28

@

@-. Sticker-Front

N39

@

@-. Program Assy

N40

@

@-. Screen-Light

N41

@

@-. Cable-Flat

N42

@

@-. Cpu Board Assy

N43

@

@-. Io Board Assy

N44

@

@-. Spacer-Rubber

N44

@

@-. Spacer-Rubber

N5

@

@-. Wire

Выбрано товаров: 0