Запчасти Hyundai HL750 DASH BOARD(ROPS CANOPY)

Схема запчастей Hyundai HL750 - DASH BOARD(ROPS CANOPY)
FIT
1:1
100%

Артикул

Название

Примечание

Количество

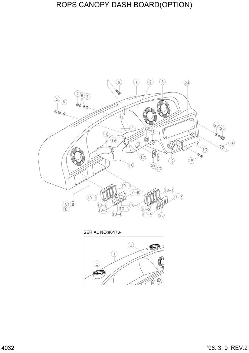
74L3-00272

74L3-00272-. Dash Board

74L3-02950

74L3-02950-. Nozzle

74L3-02950

74L3-02950-. Nozzle

74L3-03001

74L3-03001-. Cover

74L3-00911

74L3-00911-Dash Board Assy

*

74L3-00910

74L3-00910-Dash Board Assy

10

24L3-30320

24L3-30320-. Switch Assy

10-1

21E6-10680

21E6-10680-.. Piece-End

10-1

21E6-10680

21E6-10680-.. Piece-End

10-2

21E6-10670

21E6-10670-.. Piece-Intermediary

10-2

21E6-10670

21E6-10670-.. Piece-Intermediary

10-3

21E6-30570

21E6-30570-.. Switch-Hazard

10-4

21E6-30560

21E6-30560-.. Switch-C/Cut Off

10-5

21E6-30510

21E6-30510-.. Switch-Parking

10-6

21E6-30490

21E6-30490-.. Switch-Buzzer Stop

11

24L3-30330

24L3-30330-. Switch Assy

11-3

21E6-10460

21E6-10460-.. Cover

11-4

21E6-30470

21E6-30470-.. Switch-Cold Start

12

24L3-10080

24L3-10080-. Cigar Lighter Assy

14

74L3-00440

74L3-00440-. Holder-Ashtray

15

S141-050306

S141-050306-. Screw-Flat Hd

16

74L3-03050

74L3-03050-. Duct-Center

17

74L3-03060

74L3-03060-. Hose-Rh

18

74L3-03070

74L3-03070-. Hose-Lh

19

S572-530002

S572-530002-. Clamp-Hose Wire Type

20

21E6-10430

21E6-10430-. Switch Assy-Incl Key

20-1

21E6-10430-K

21E6-10430-K-.. Key-Start

21

24L3-10540

24L3-10540-. Decal

22

21L3-4119

21L3-4119-. Switch-Override

23

24L3-10530

24L3-10530-. Decal

24

74L3-00890

74L3-00890-. Cover

25

S105-050202

S105-050202-. Bolt-Socket

26

S401-052002

S401-052002-. Washer-Plain

27

21E6-30440

21E6-30440-Switch-Beacon

4

74L3-00210

74L3-00210-. Cluster

5

S161-060206

S161-060206-. Screw-Rd Hd

6

S403-062006

S403-062006-. Washer-Plain

7

S205-061002

S205-061002-. Nut-Hex

8

S161-060106

S161-060106-. Screw-Rd Hd

9

S141-060306

S141-060306-. Screw-Flat Hd

N1

74L3-00271

74L3-00271-. Dash Board

N13

74L3-00430

74L3-00430-. Ashtray

N2

74L3-03000

74L3-03000-. Cover

Выбрано товаров: 43