Качественные детали и логистика
Оригинальные и аналоговые запчасти с доставкой по России, Казахстану и Беларуси
©2022 PartSell ООО "Система" ИНН 2463123282 ОГРН 1212400004838
Центральный офис: г. Красноярск, Академика Киренского, д.87, пом.4
Телефон: 8 (800) 777-65-74 Email: zakaz@partsell.ru
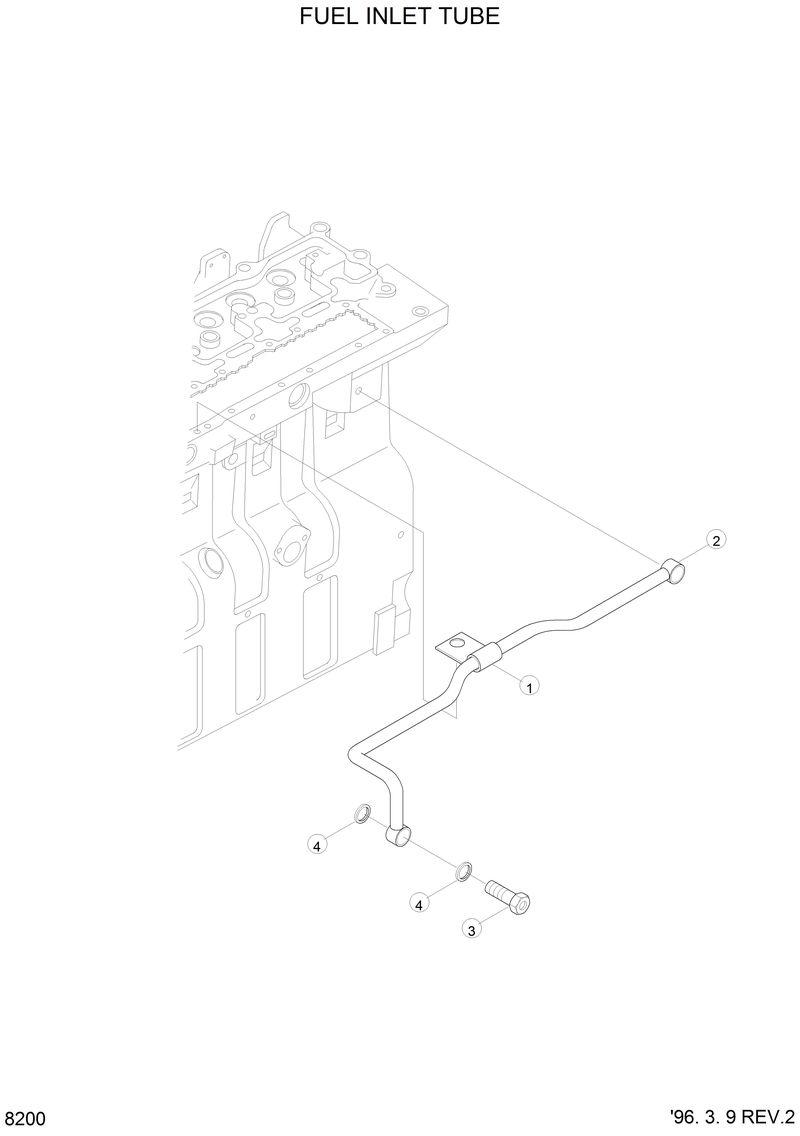
FUEL INLET TUBE
№
Артикул
Название
Примечание
Количество
1
3914711
3914711-Clip
2
3912923
3912923-Tube
3
3024725
3024725-Screw-Banjo Conn
4
3918192
3918192-Washer-Sealing
Выбрано товаров: 4