Качественные детали и логистика
Оригинальные и аналоговые запчасти с доставкой по России, Казахстану и Беларуси
©2022 PartSell ООО "Система" ИНН 2463123282 ОГРН 1212400004838
Центральный офис: г. Красноярск, Академика Киренского, д.87, пом.4
Телефон: 8 (800) 777-65-74 Email: zakaz@partsell.ru
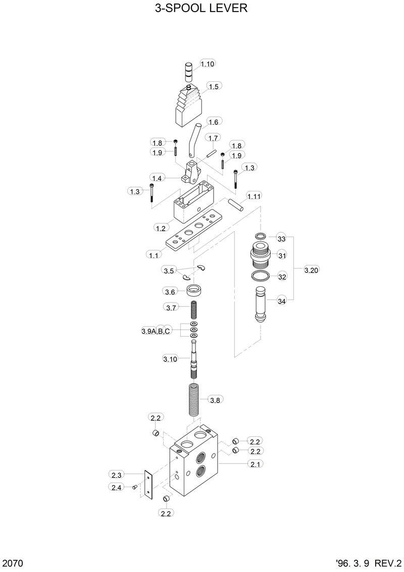
3-SPOOL LEVER
№
Артикул
Название
Примечание
Количество
@
@-Not Individually Supplied
*
31L1-1062
31L1-1062-Rcv-3 Spool
*-1
31L1-1002
31L1-1002-. Rcv Lever
*-2
22879400
22879400-. Rcv Lever
1.1
19691800
19691800-.. Plate
1.10
25631500
25631500-.. Grip
1.11
19991700
19991700-.. Bolt
1.2
19691700
19691700-.. Housing
1.3
@-.. Screw
1.4
19460800
19460800-.. Fulcrum
1.5
19522100
19522100-.. Bellows
1.6
19821300
19821300-.. Lever
1.7
@-.. Pin-Locking
1.8
@-.. Nut
1.9
19461500
19461500-.. Pin-Thread
2.1
19472903
19472903-.. Housing
2.2
@-.. Screw-Locking
2.3
@-.. Plate-Identification
2.4
@-.. Pin-Groove
3.10
@-.. Spool
3.20
21305900
21305900-.. Plunger Assy
3.5
@-.. Retainer-Spring
3.6
@-.. Washer
3.9C
@-.. Shim
K
21305900*
21305900*-Seal Kit
K31
@-... Guide-Plunger
K33
@-... Seal
K34
@-... Plunger
N3.7
19003800
19003800-.. Spring
N3.8
19113300
19113300-.. Spring
Выбрано товаров: 0