Запчасти Hyundai HL770 COOLING PIPING GROUP(-#0199)

Схема запчастей Hyundai HL770 - COOLING PIPING GROUP(-#0199)
FIT
1:1
100%

Артикул

Название

Примечание

Количество

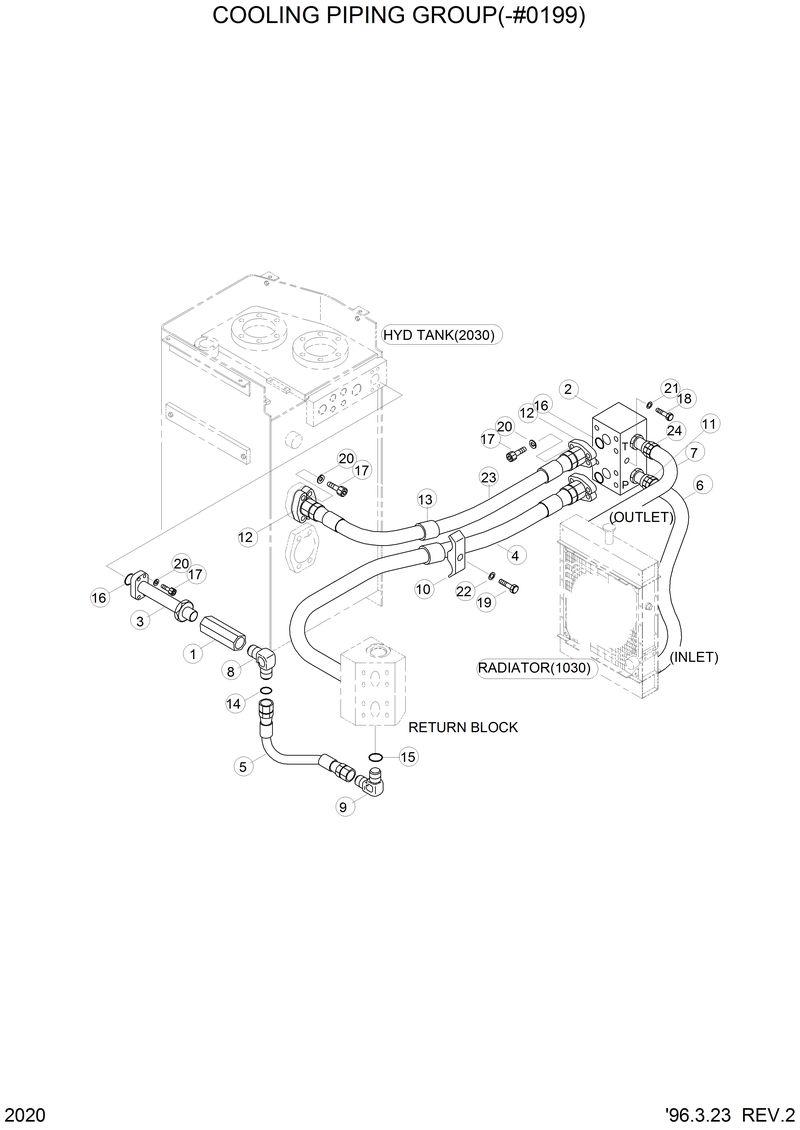
1

31E9-0142

31E9-0142-Check Valve

10

34L1-01150

34L1-01150-Clamp

11

S520-055000

S520-055000-Clamp-Hose

12

P173-200106

P173-200106-Flange-Split

13

S690-049100

S690-049100-Grommet

14

S631-044001

S631-044001-O-Ring

15

S631-038001

S631-038001-O-Ring

16

31L1-0059

31L1-0059-O-Ring

17

S107-100304

S107-100304-Bolt-Socket

18

S017-101002

S017-101002-Bolt-Hex

19

S017-120702

S017-120702-Bolt-Hex

2

34L1-01810

34L1-01810-Block Wa

20

S411-100002

S411-100002-Washer-Spring

21

S441-100002

S441-100002-Washer-Hardened

22

S441-120002

S441-120002-Washer-Hardened

23

P700-201359

P700-201359-Hose Assy-Flg 0x90

24

34L1-02360

34L1-02360-Clamp-Hose

3

34L1-01821

34L1-01821-Pipe Wa

4

P700-201360

P700-201360-Hose Assy-Flg 0x90

5

P620-201012

P620-201012-Hose Assy-Thd 0x90

6

34L1-01830

34L1-01830-Hose-Rubber

7

34L1-01841

34L1-01841-Hose-Rubber

8

P020-110021

P020-110021-Elbow-90

9

P020-110006

P020-110006-Elbow-90

Выбрано товаров: 24