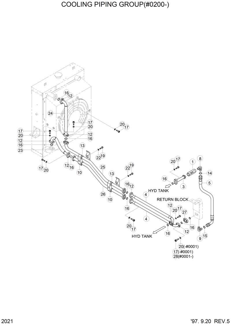
Запчасти Hyundai HL770 COOLING PIPING GROUP(#0200-)

Схема запчастей Hyundai HL770 - COOLING PIPING GROUP(#0200-)
FIT
1:1
100%

Артикул

Название

Примечание

Количество

1

31E9-0142

31E9-0142-Check Valve

10

34L1-02150

34L1-02150-Clamp

12

P173-200106

P173-200106-Flange-Split

13

S690-043100

S690-043100-Grommet

14

S631-044001

S631-044001-O-Ring

15

S631-038001

S631-038001-O-Ring

16

31L1-0059

31L1-0059-O-Ring

17

S107-100304

S107-100304-Bolt-Socket

19

S017-120702

S017-120702-Bolt-Hex

20

S411-100002

S411-100002-Washer-Spring

22

S441-120002

S441-120002-Washer-Hardened

23

P690-201313

P690-201313-Hose Assy-Thd

24

P700-201316

P700-201316-Hose Assy-Flg 0x90

25

34L1-02160

34L1-02160-Pipe Wa

26

34L1-02170

34L1-02170-Pipe Wa

27

34L1-02630

34L1-02630-Block-Orifice

28

S017-100554

S017-100554-Bolt-Hex

3

34L1-01821

34L1-01821-Pipe Wa

4

P700-201319

P700-201319-Hose Assy-Flg 0x90

5

P620-201012

P620-201012-Hose Assy

8

P020-110021

P020-110021-Elbow-90

9

P020-110006

P020-110006-Elbow-90

Выбрано товаров: 22