Запчасти Hyundai HL770 ENGINE CONTROL SYSTEM

Схема запчастей Hyundai HL770 - ENGINE CONTROL SYSTEM
FIT
1:1
100%

Артикул

Название

Примечание

Количество

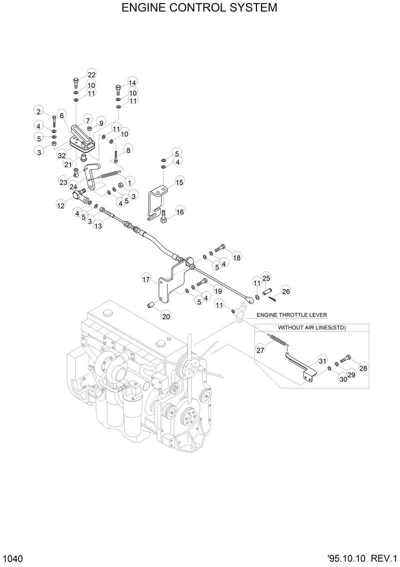
14L1-00792

14L1-00792-Cable-Pull

1

81E3-0009

81E3-0009-Spring

10

S411-080002

S411-080002-Washer-Spring

11

S403-082002

S403-082002-Washer-Plain

12

S926-111000

S926-111000-Rod End

13

14L1-00041

14L1-00041-Cable-Pull

14

S015-080302

S015-080302-Bolt-Hex

15

14L3-00400

14L3-00400-Plate

16

S017-100202

S017-100202-Bolt-Hex

17

14L1-00780

14L1-00780-Bracket

19

S017-100652

S017-100652-Bolt-Hex

2

12L1-0036

12L1-0036-Bolt

20

11L1-1031

11L1-1031-Spacer

21

12L1-0041

12L1-0041-Plug

22

S015-080252

S015-080252-Bolt-Hex

23

S923-108000

S923-108000-Rod End

24

12L1-00351

12L1-00351-Lever Wa

25

S491-080182

S491-080182-Pin-Clevis

26

S461-200202

S461-200202-Pin-Split

27

11L1-1029

11L1-1029-Spring

28

S017-100252

S017-100252-Bolt-Hex

28

S017-100252

S017-100252-Bolt-Hex

29

S403-103002

S403-103002-Washer-Plain

3

S205-101002

S205-101002-Nut-Hex

30

S411-100002

S411-100002-Washer-Spring

30

S411-100002

S411-100002-Washer-Spring

31

14L1-00850

14L1-00850-Bracket Wa

32

74L3-00530

74L3-00530-Pad-Rubber

5

S403-102002

S403-102002-Washer-Plain

6

81L1-0081

81L1-0081-Pedal Assy

7

@

@-Cover-Pedal

8

12L1-0038

12L1-0038-Bolt

9

S205-081002

S205-081002-Nut-Hex

Выбрано товаров: 33