Качественные детали и логистика
Оригинальные и аналоговые запчасти с доставкой по России, Казахстану и Беларуси
©2022 PartSell ООО "Система" ИНН 2463123282 ОГРН 1212400004838
Центральный офис: г. Красноярск, Академика Киренского, д.87, пом.4
Телефон: 8 (800) 777-65-74 Email: zakaz@partsell.ru
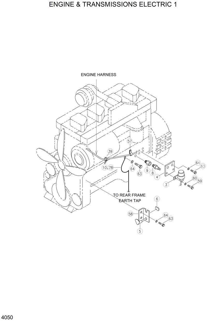
ENGINE & TRANSMISSION ELECTRIC 1
№
Артикул
Название
Примечание
Количество
10
21EH-30720
21EH-30720-Strap-Earth
3
E225-0004
E225-0004-Relay-Start
39
S552-035146
S552-035146-Clamp-Band
4
21L1-0053
21L1-0053-Plate
5
24L1-20210
24L1-20210-Sw-Emergency Start
57
S593-000902
S593-000902-Clip-Harness
58
24L1-00500
24L1-00500-Plate
59
S015-060152
S015-060152-Bolt-Hex
6
21L1-2020
21L1-2020-Plate-Start Sw
60
S441-060002
S441-060002-Washer-Hardened
63
S017-100152
S017-100152-Bolt-Hex
64
S401-103002
S401-103002-Washer-Plain
78
24L1-30720
24L1-30720-Strap-Earth
8
21E3-5001
21E3-5001-Switch-E/Oil Pressure
9
21L1-0042
21L1-0042-Fitting
Выбрано товаров: 0