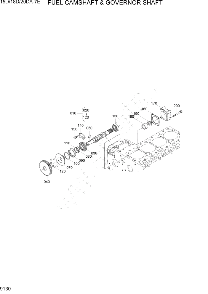
Запчасти Hyundai 15D/18D/20DA-7E PAGE 9130 FUEL CAMSHAFT & GOVERNOR SHAFT ДВИГАТЕЛЬ БАЗА

Схема запчастей Hyundai 15D/18D/20DA-7E - PAGE 9130 FUEL CAMSHAFT & GOVERNOR SHAFT ДВИГАТЕЛЬ БАЗА
FIT
1:1
100%

Артикул

Название

Примечание

Количество

10

XJBR-00848

FUEL CAMSHAFT ASSY

1шт.

20

XJBR-00761

CAMSHAFT-FUEL

1шт.

30

XJBT-00160

BEARING-BALL

1шт.

40

XJBR-00834

GEAR-INJECTION PUMP

1шт.

50

XJBT-00162

KEY FEATHER

1шт.

70

XJBT-00164

SLEEVE-GOVERNOR

1шт.

80

XJBT-00165

CIRCLIP-GOV SLEEVE

1шт.

90

XJBT-00166

CASE-GOVERNOR BALL

1шт.

100

XJBT-00167

BALL

39шт.

110

XJBT-00168

CIRCLIP

1шт.

120

XJBT-00169

BALL

7шт.

130

XJBR-00828

BEARING-BALL

1шт.

140

XJBT-00171

STOPPER-FUEL C/SHAFT

1шт.

150

XJBT-00028

BOLT

2шт.

160

XJBR-00819

GASKET

1шт.

170

XJBR-00694

COVER-FUEL CAMSHAFT

1шт.

180

XJBT-00174

COLLAR

1шт.

190

XJBT-00175

CIRCLIP-EXTERNAL

1шт.

200

XJBT-00176

BOLT

4шт.

Выбрано товаров: 19