Качественные детали и логистика
Оригинальные и аналоговые запчасти с доставкой по России, Казахстану и Беларуси
©2022 PartSell ООО "Система" ИНН 2463123282 ОГРН 1212400004838
Центральный офис: г. Красноярск, Академика Киренского, д.87, пом.4
Телефон: 8 (800) 777-65-74 Email: zakaz@partsell.ru
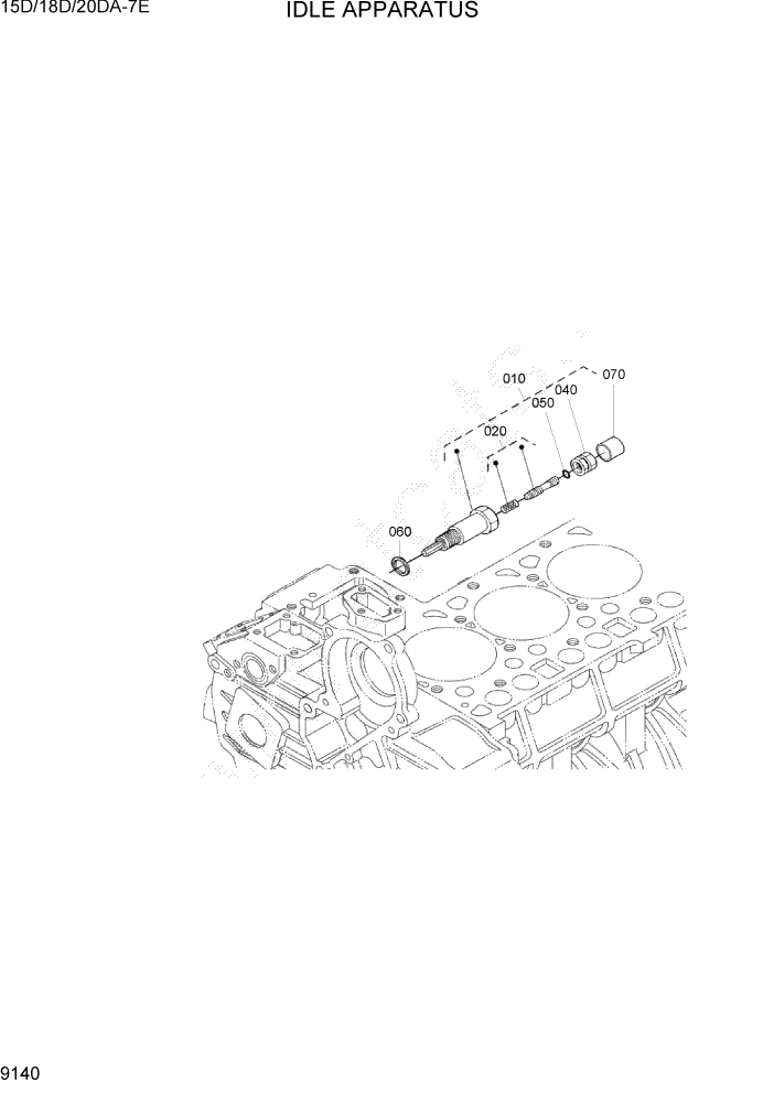
PAGE 9140 IDLE APPARATUS
№
Артикул
Название
Примечание
Количество
10
XJBT-00177
APPARATUS-IDLING
1шт.
20
XJBT-00178
BOLT-ADJUST
40
XJBT-00180
NUT-SPRING
50
XJBT-00181
O-RING
70
XJBR-00074
CAP
60
XJBT-00182
GASKET
Выбрано товаров: 0