Запчасти Hyundai 15D/18D/20DA-7E PAGE 9170 GOVERNOR ДВИГАТЕЛЬ БАЗА

Схема запчастей Hyundai 15D/18D/20DA-7E - PAGE 9170 GOVERNOR ДВИГАТЕЛЬ БАЗА
FIT
1:1
100%

Артикул

Название

Примечание

Количество

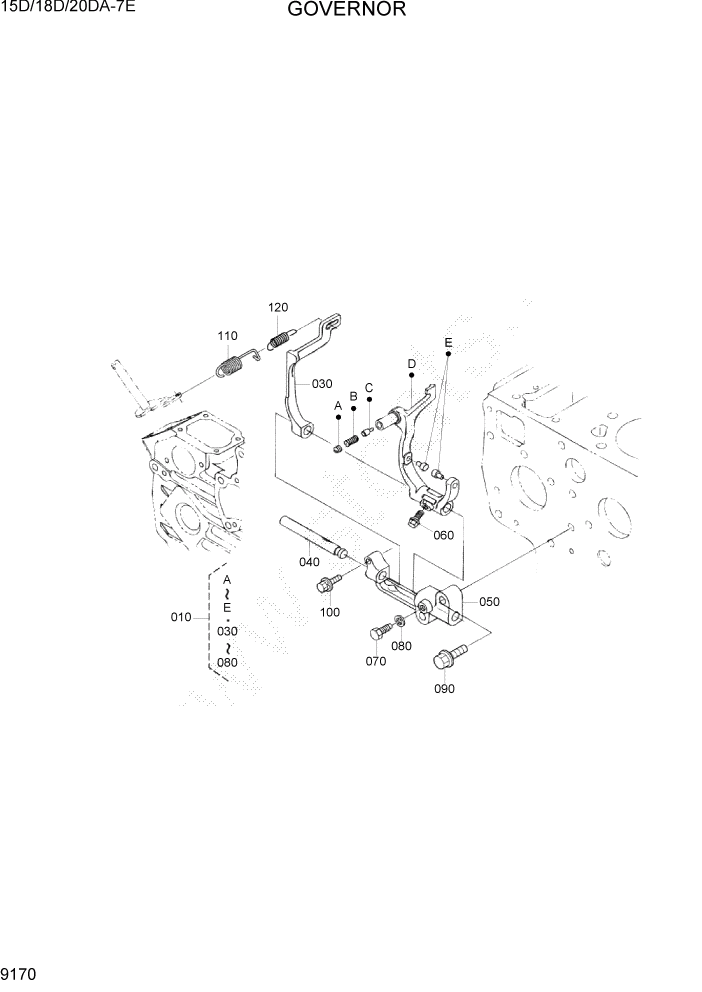
10

XJBR-00820

FORK LEVER ASSY

1шт.

30

XJBR-00089

LEVER-FORK

1шт.

40

XJBT-00258

SHAFT-FORK LEVER

1шт.

50

XJBT-00260

HOLDER-FORK LEVER

1шт.

60

XJBT-00487

BOLT-FLANGE

1шт.

70

XJBT-00261

BOLT

1шт.

80

XJBT-00067

WASHER-SPRING

1шт.

90

XJBT-00583

BOLT-FLANGE

2шт.

100

XJBT-00781

BOLT

1шт.

110

XJBR-00776

SPRING-GOVERNOR

1шт.

120

XJBR-00787

SPRING-GOVERNOR

1шт.

Выбрано товаров: 11